嗨,商城现货2小时发货!
登录
注册
欢迎您,
退出
会员中心
在线客服
服务热线:
010-62975458 17600099251
兆亿微波商城
Trillion Microwave Mall
一键询价
热门型号:
PMA3-83LN+
ADP-2-1W+
LFCN-2250+
AD9361BBCZ
LMX2594RHAR
购物车
(
)
全部商品分类
放大器 滤波器 变压器
放大器
更多+
低噪放大器
高功率放大器
线性放大器
有线电视放大器
增益模块放大器
可变增益放大器
双匹配放大器
脉冲放大器
多倍频程放大器
宽带放大器
光后置放大器
分布式放大器
FTTx放大器
限幅放大器
混合放大器
调制驱动器
互阻抗放大器
低功率放大器
直流耦合放大器
中功率放大器
移动放大器
视频放大器
RF驱动放大器
RF全差分放大器
射频放大器
卫星通信放大器
高动态范围放大器
波导放大器
短交付放大器
超宽带和监视放大器
毫米波放大器
低温放大器
放大器
有机放大器
微波放大器
窄带放大器
跨阻放大器
运算放大器
专用放大器
音频放大器
比较器
单端转差分放大器
电流感应放大器
仪表放大器
功率放大器
GPS波段放大器
Ka波段放大器
光纤放大器
GaN放大器
低失真放大器
一般用途放大器
滤波器
更多+
带通滤波器
低通滤波器
高通滤波器
带阻滤波器
双工器
三工器
低通群时延
滤波器
多工器
WiFi滤波器
可编程滤波器
多路复用器
悬浮基板带状线过滤器
陷波滤波器
波导滤波器
EMI滤波器
根升余弦滤波器
变压器
更多+
表贴
接头
直插
平衡/非平衡变压器
信号变压器
功分器 耦合器 均衡器 环形器
功分器
更多+
功分器/合路器
集总元件功分器
电阻功分器
大功率合路器
宽带功率分配器
功率分配器
双向功率分配器
功分器
耦合器
更多+
耦合器
混合器
定向耦合器
宽带耦合器
可变定向耦合器
微型混合耦合器
双向耦合器
数字光电耦合器
光电耦合器
混合耦合器
波导耦合器&混合动力
大功率耦合器
均衡器
更多+
表贴
裸片
接头
固定
冗余均衡器
双通道均衡器
幅度均衡器
环形器
更多+
混频器 倍频器 振荡器 分频器
混频器
更多+
IQ混频器
混频器
下变频器
上变频器
次谐波混频器
平衡混频器
倍频器
更多+
倍频带和多倍频带SMA产品
倍频器和乘法器
倍频器
振荡器
更多+
压控振荡器
信号发生器
计数器
振荡器
晶体振荡器
SAW谐振器
分频器/预分频器
更多+
调制调节器 适配器 控制器
调制调节器
更多+
表贴
双相调制器
四相位调制器
调制器/解调器
交流发电机调节器
适配器
更多+
同轴适配器
适配器
波导适配器
USB适配器
电源适配器
USB以太网适配器
控制器
更多+
通信控制器
单片相位和振幅控制器
控制设备
超低耗控制器
微控制器
其它控制器
衰减器 电缆 负载 驱动 变频器
衰减器
更多+
步进衰减器
衰减器
宽带固定衰减器
温度补偿衰减器
大功率同轴衰减器
同轴高功率固定衰减器
电控衰减器
数控衰减器
电压可变衰减器
固定衰减器
数字步进衰减器
可编程衰减器
手动衰减器
手动同轴衰减器
手动波导衰减器
固定波导衰减器
固定同轴衰减器
温度可变射频衰减器
二极管衰减器
连续可变衰减器
控制衰减器
电缆
更多+
电缆
低损耗稳相电缆
半刚同轴电缆
JR系列半柔电缆
RG系列军标电缆
JT系列测试电缆组件
负载
更多+
端接/失配负载
射频负载
负载
驱动
更多+
LED激光器驱动器
调制器驱动器
驱动器
线性驱动器
工业显示驱动器IC
汽车显示驱动器IC
移动显示驱动IC
中型TFFT-LCD驱动器IC
变频器
更多+
上变频器
下变频器
射频合成器
satcom变频器
变频器
偏置器 扼流圈 隔直流器 电源管理
偏置器
更多+
扼流圈
更多+
隔直流器
更多+
电源管理
更多+
阻抗匹配垫 晶振 模块 天线
阻抗匹配垫
更多+
晶振
更多+
模块
更多+
前端模块
发送/接收模块
开关模块
模块
发送模块
转换器模块
增益模块
天线
更多+
频率合成器 限幅器 检波器
频率合成器
更多+
集成混合频率合成器
频率合成器
数字频率合成器
微合成器
限幅器
更多+
PIN二极管限制器
PIN肖特基二极管限幅器
限幅器
肖特基二极管探测器限制器
功率限制器
检波器
更多+
隧道二极管探测器
带线微带线组件用隧道(背面)二极管探测器
高灵敏度零偏压肖特基二极管探测器
零偏压肖特基二极管探测器
偏压肖特基二极管探测器
限制器保护隧道二极管探测器
检波器
隔振器 循环器 转换器 工具
隔振器
更多+
法兰插入式隔振器
标准窄带下拉式隔振器
集总元件隔振器
隔振器
同轴隔振器
波导隔振器
循环器
更多+
法兰插入式循环器
循环器
标准窄带下拉式循环器
集总元件循环器
同轴循环器
波导循环器
单接头循环器
双绕组循环器
转换器
更多+
工具
更多+
扳手
精密连接器量规
保险丝座
组件 连接器 收发器 电容阵列
组件
更多+
电缆组件
波导组件
射频组件
放大器组件
连接器
更多+
连接器
旋转连接器
收发器
更多+
接收器
发送器
收发器
光纤发射器
光纤接收器
射频发射器
电容阵列
更多+
超级电容器
数模 模数 射频功率 其他器件
数模
更多+
触发器
寄存器--锁存器
数模转换器
模数
更多+
射频功率产品
更多+
功率监测器
脉冲线性射频功率晶体管
光子器件
时钟与数据恢复
激光器和调制器驱动器
射频频率功率计
传感器
功率合成器
光学传感器
压力传感器
运动和位置传感器
雷达传感器
温度传感器
光电传感器
惯性传感器
震动传感器
地震传感器
其他器件
更多+
单片机
逻辑器件IC
时钟芯片
终端
演示板
FBAR设计
无线局域网基础设施
无线局域网蓝牙组合
GNSS / GPS SoCs
蓝牙SoCs
防尘帽
数字可调电容器
频率计数器
电池管理
接口与隔离
电源监视器,控制器和保护
汽车音频总线®
照相机和摄像机模拟前端
LED和显示屏
光电探测器
存储适配器、控制器及ICs
光纤通道网络
宽带:CPE 网关、宽带网络基础设施和机顶盒
处理器
以太网连接、交换和 PHY
射频电阻
测试系统
测试配件
光纤模块和组件
音频和视频产品
电能计量IC
多协议收发器
稳压器
软波导
数据路径管理
GaN晶圆
线性产品
其他未列明器件
直波导
同轴被动器件
导波管
电桥
端子
光纤链路
冗余切换单元
RFID/NFC
微波单片集成电路(MMIC)
波导产品
噪声发生器
射频浪涌保护器
DLP产品
接口
缓冲器
光学器件
存储器
RF接入,监控IC
存储芯片
RF配件
延迟线
托管NAND存储器
固态硬盘
多制层封装芯片
显示集成电路
FPGA电路板
波形发生器
示波器
集成电路
多芯片封装(MCP)
多功能芯片
平面螺旋电感
微硅(MEMS)麦克风产品
加速度计
信号调理器
开发板
模组
RF射频芯片
台式仪表
功率检测器 开关 晶体管 分压器
功率检测器
更多+
波导功率探测器
RMS响应功率检波器
同轴功率探测器
开关
更多+
开关
波导开关
射频开关
开关系统
调谐控制开关
固态吸收开关
机械吸收开关
机电开关
矩阵开关
晶体管
更多+
分立式GaAs晶体管
GaN晶体管
晶体管
二极管
微波晶体管
分压器
更多+
移相器 鉴相器 评估板 执行器
移相器
更多+
数字步进移相器
电压控制移相器
手动可调移相器
波导移相器
移相器
鉴相器
更多+
表贴
接头
直插
鉴频鉴相器
评估板
更多+
执行器
更多+
!
Hi,您好!
登录
注册
退出
产品搜索量排行
5CEFA9F23I7N
MAAM-011326
TPS54202DDCR
LTM4644IY#PBF
ADRF5045BCCZN
LFCN-1200+
积分商城
配单服务
首页
产品商城
放大器
低噪放大器
超低噪声放大器
低噪放大器
自动电平控制低噪声放大器
前置过载保护低噪声放大器
高功率放大器
线性放大器
有线电视放大器
增益模块放大器
可变增益放大器
双匹配放大器
脉冲放大器
多倍频程放大器
宽带放大器
一般用途放大器
低失真放大器
GaN放大器
光纤放大器
Ka波段放大器
GPS波段放大器
功率放大器
仪表放大器
电流感应放大器
单端转差分放大器
比较器
音频放大器
专用放大器
电流检测放大器
DPS和PMU
引脚驱动器
CATV线路驱动器
电荷积分放大器
运算放大器
运算放大器
JFET输入放大器
ADA4522产品系列
高压放大器
精密运算放大器
低输入偏置电流放大器
高速运算放大器
通用运算放大器
音频运算放大器
功率运算放大器
电流反馈放大器
窄带放大器
微波放大器
有机放大器
低温放大器
毫米波放大器
超宽带和监视放大器
短交付放大器
波导放大器
高动态范围放大器
卫星通信放大器
射频放大器
RF全差分放大器
RF驱动放大器
视频放大器
移动放大器
中功率放大器
直流耦合放大器
低功率放大器
互阻抗放大器
调制驱动器
混合放大器
限幅放大器
FTTx放大器
分布式放大器
光后置放大器
跨阻放大器
放大器
滤波器
带通滤波器
低通滤波器
高通滤波器
带阻滤波器
双工器
双工器
波导双工器
三工器
低通群时延
根升余弦滤波器
EMI滤波器
波导滤波器
陷波滤波器
悬浮基板带状线过滤器
多路复用器
可编程滤波器
WiFi滤波器
多工器
滤波器
变压器
表贴
接头
直插
信号变压器
平衡/非平衡变压器
功分器
功分器
双向功率分配器
功率分配器
宽带功率分配器
大功率合路器
电阻功分器
集总元件功分器
功分器/合路器
功分器/合路器
带状线功分器合路器
波导功率合成器/T形波导支路
波导功率分配器/组合器
同轴功分器/合路器
耦合器
大功率耦合器
波导耦合器&混合动力
混合耦合器
光电耦合器
光电耦合器
隔离门极驱动光电耦合器
调制器
IPM接口
数字光电耦合器
双向耦合器
微型混合耦合器
可变定向耦合器
可变定向耦合器
宽带耦合器
定向耦合器
混合器
耦合器
均衡器
表贴
幅度均衡器
双通道均衡器
冗余均衡器
固定
接头
裸片
环形器
混频器
平衡混频器
次谐波混频器
上变频器
下变频器
混频器
IQ混频器
倍频器
倍频器
倍频器和乘法器
倍频带和多倍频带SMA产品
振荡器
SAW谐振器
晶体振荡器
振荡器
计数器
信号发生器
压控振荡器
分频器/预分频器
调制调节器
表贴
交流发电机调节器
调制器/解调器
四相位调制器
双相调制器
适配器
USB以太网适配器
电源适配器
USB适配器
波导适配器
适配器
同轴适配器
控制器
其它控制器
微控制器
超低耗控制器
控制设备
单片相位和振幅控制器
通信控制器
电阻/电感
热敏电阻器
衰减器
控制衰减器
连续可变衰减器
二极管衰减器
温度可变射频衰减器
固定同轴衰减器
固定波导衰减器
手动波导衰减器
手动同轴衰减器
手动衰减器
可编程衰减器
数字步进衰减器
固定衰减器
电压可变衰减器
数控衰减器
电控衰减器
同轴高功率固定衰减器
大功率同轴衰减器
温度补偿衰减器
宽带固定衰减器
衰减器
步进衰减器
变频器
变频器
satcom变频器
射频合成器
下变频器
上变频器
负载
负载
射频负载
射频波导负载
射频同轴负载
端接/失配负载
电缆
JT系列测试电缆组件
RG系列军标电缆
JR系列半柔电缆
半刚同轴电缆
低损耗稳相电缆
电缆
驱动
LED激光器驱动器
中型TFFT-LCD驱动器IC
移动显示驱动IC
汽车显示驱动器IC
工业显示驱动器IC
线性驱动器
驱动器
调制器驱动器
偏置器
扼流圈
隔直流器
电源管理
阻抗匹配垫
晶振
模块
增益模块
转换器模块
发送模块
模块
开关模块
高功率开关LNA模块
双通道开关LNA模块
发送/接收模块
前端模块
天线
频率合成器
微合成器
数字频率合成器
频率合成器
集成混合频率合成器
限幅器
功率限制器
肖特基二极管探测器限制器
限幅器
PIN肖特基二极管限幅器
PIN二极管限制器
检波器
检波器
限制器保护隧道二极管探测器
偏压肖特基二极管探测器
零偏压肖特基二极管探测器
高灵敏度零偏压肖特基二极管探测器
带线微带线组件用隧道(背面)二极管探测器
隧道二极管探测器
移相器
移相器
波导移相器
手动可调移相器
电压控制移相器
数字步进移相器
鉴相器
表贴
接头
直插
鉴频鉴相器
评估板
执行器
功率检测器
同轴功率探测器
RMS响应功率检波器
波导功率探测器
开关
矩阵开关
机电开关
机械吸收开关
固态吸收开关
调谐控制开关
开关系统
射频开关
波导开关
开关
晶体管
微波晶体管
二极管
晶体管
GaN晶体管
分立式GaAs晶体管
分压器
数模
数模转换器
寄存器--锁存器
触发器
D触发器与JK触发器
模数
射频功率产品
功率监测器
脉冲线性射频功率晶体管
光子器件
时钟与数据恢复
激光器和调制器驱动器
地震传感器
震动传感器
惯性传感器
光电传感器
温度传感器
雷达传感器
运动和位置传感器
压力传感器
光学传感器
功率合成器
传感器
射频频率功率计
激光器和调制器驱动器
其他器件
单片机
逻辑器件IC
RF射频芯片
模组
开发板
信号调理器
加速度计
微硅(MEMS)麦克风产品
平面螺旋电感
多功能芯片
台式仪表
集成电路
示波器
波形发生器
FPGA电路板
显示集成电路
移动DDI
多制层封装芯片
固态硬盘
托管NAND存储器
多芯片封装(MCP)
RF配件
存储芯片
RF接入,监控IC
存储器
特殊闪存
嵌入式通用闪存
嵌入式多媒体卡
高带宽存储器
显存
四代低功耗双倍数据率同步动态随机存储器
四代超低功耗双倍数据率同步动态随机存储器
四代双倍数据率同步动态随机存储器
三代双倍数据率同步动态随机存储器
光学器件
缓冲器
接口
DLP产品
Pico 芯片组
射频浪涌保护器
噪声发生器
波导产品
微波单片集成电路(MMIC)
RFID/NFC
冗余切换单元
光纤链路
端子
电桥
导波管
同轴被动器件
直波导
其他未列明器件
线性产品
基准电压源
并联基准电压
串联基准电压
基准 + 比较器或放大器
微功率电压基准
GaN晶圆
数据路径管理
软波导
稳压器
多协议收发器
电能计量IC
音频和视频产品
光纤模块和组件
测试配件
测试系统
射频电阻
以太网连接、交换和 PHY
处理器
物联网处理器
宽带:CPE 网关、宽带网络基础设施和机顶盒
光纤通道网络
存储适配器、控制器及ICs
光电探测器
LED和显示屏
照相机和摄像机模拟前端
汽车音频总线®
电源监视器,控制器和保护
接口与隔离
IO扩展器
隔离器
波导隔离器
移动扩展器和键盘控制器
隔离式RS
LVDS/MLVDS
I²C & SMBus 总线缓冲器、加速器和多路复用器
隔离IC
隔离IC
isoPower/SPIsolator
USB隔离器
µModule隔离型收发器
标准数字隔离器
电池管理
电源管理
电池充电器
电池管理
频率计数器
数字可调电容器
防尘帽
蓝牙SoCs
GNSS / GPS SoCs
无线局域网蓝牙组合
无线局域网基础设施
FBAR设计
演示板
终端
时钟芯片
延迟线
连接器
连接器
旋转连接器
收发器
射频发射器
光纤接收器
光纤发射器
收发器
发送器
接收器
IF/RF接收器
视频接收器
接收器
测试和测量接收器
上变频器
电容阵列
超级电容器
组件
电缆组件
电缆组件
线担架
放大器组件
射频组件
波导组件
隔振器
波导隔振器
同轴隔振器
隔振器
集总元件隔振器
标准窄带下拉式隔振器
法兰插入式隔振器
转换器
控制盒
循环器
法兰插入式循环器
循环器
双绕组循环器
单接头循环器
波导循环器
同轴循环器
集总元件循环器
标准窄带下拉式循环器
工具
保险丝座
精密连接器量规
扳手
品牌库
ADI(亚德诺)
射频功率产品
连接器
放大器
滤波器
耦合器
混频器
倍频器
偏置器
转换器
开关
功率检测器
频率合成器
衰减器
调制解调器
振荡器
收发器
鉴相器
检波器
天线
模块
变频器
Mini-Circuits
工具
转换器
射频功率产品
模数
开关
功率检测器
移相器
限幅器
频率合成器
阻抗匹配垫
隔直流器
偏置器
负载
电缆
衰减器
适配器
调制解调器
振荡器
倍频器
混频器
均衡器
耦合器
功分器
变压器
滤波器
放大器
MICROCHIP(美国微芯)
二极管
Altera(阿尔特拉)
热门产品
Anaren
国防级组件
平衡变压器
混合耦合器
衰减器
Qorvo
混频器
放大器
滤波器
限幅器
频率合成器
均衡器
衰减器
调制解调器
变压器
收发器
模块
负载
电容阵列
晶体管
MARKI MICROWAVE
转换器
连接器
限幅器
隔直流器
偏置器
适配器
倍频器
混频器
均衡器
耦合器
功分器
变压器
滤波器
放大器
XILINX(赛灵思)
器件
频率合成器
评估板
TI(德州仪器)
放大器
射频功率产品
衰减器
偏置器
调制解调器
隔直流器
模数
晶体管
变频器
数模
电源管理
控制器
Xmacorp
衰减器
变压器
耦合器
均衡器
隔直流器
适配器
负载
Keycom
线缆・线缆部件
脉冲雷达
天线(宽带)
毫米波直流断路器
T型偏置器
脉冲放大器
振荡器
脉冲滤波器
5G/局部5G系统
毫米波・微波部件
毫米波和微波系统
天线评估(测量)系统
天线和天线系统
雷达截面(RCS)测量/评估系统
雷达测试系统关联
智能网络汽车室内测试系统
雷达系统
耦合器
Eotech
法拉第旋转器和隔离器
光电探测器
衰减器
限幅器
L3Harris Narda
射频功率产品
衰减器
放大器
开关
耦合器
移相器
混频器
适配器
调制解调器
收发器
模块
电缆
倍频器
均衡器
Herotek
探测器
限幅器
放大器
检波器
Avago(安华高)
放大器
开关
耦合器
连接器
射频功率产品
模数
晶体管
收发器
数模
功分器
评估板
Mcli
衰减器
开关
耦合器
变压器
混频器
模块
偏置器
电缆
隔振器
Rlcelectronics
耦合器
衰减器
变压器
开关
滤波器
偏置器
Arra
衰减器
变压器
耦合器
开关
移相器
模块
Macom
倍频器
放大器
混频器
移相器
限幅器
收发器
射频功率产品
其他器件
Custommmic
衰减器
开关
放大器
移相器
混频器
Sigatek
衰减器
开关
耦合器
移相器
混频器
连接器
射频功率产品
适配器
倍频器
偏置器
调制解调器
分频器
分压器
Z-Communications
测试治具
PLL评估板
VCO评估板
PLL合成器
压控振荡器
DS instrumnet
射频跟踪发生器
频率计数器
射频功率计
宽带放大器
射频开关矩阵
移相器
混合搅拌机
数字衰减器
射频信号发生器
Pulsar Microwave
倍频器
混频器
移相器
开关
偏置器
衰减器
调制解调器
耦合器
隔直流器
功分器
电缆
Rf-Lambda
衰减器
变压器
放大器
开关
耦合器
移相器
限幅器
适配器
滤波器
连接器
模块
负载
电缆
功率检测器
变频器
天线
循环器
隔振器
Krytar
变压器
耦合器
放大器
限幅器
检波器
适配器
模数
数模
分压器
电源管理
Rfbayinc
低噪声放大器
负载
连接器
频率合成器
变压器
Senodia
Sitronix
调制解调器
控制器
Signalcore
变频器
mCube
射频功率产品
MEMSIC
电容式加速度计
热加速度计
SAFRAN
射频功率产品
Sensata
射频功率产品
BOSCH
Aldinc
射频功率产品
放大器
开关
Würth Elektronik
电源管理
天线
评估板
SEDI
晶体管
收发器
TOSHIBA
晶体管
NXP
MCU微控制器
放大器
射频功率产品
衰减器
开关
混频器
收发器
模块
晶体管
Low noise factory
低温放大器
隔离器/循环器
电源
Jfwindustries
开关
模块
偏置器
放大器
衰减器
隔直流器
适配器
连接器
射频功率产品
负载
电缆
变压器
数模
电源管理
工具
阻抗匹配垫
QUECTEL
Endevco
射频功率产品
放大器
电缆
Kionix
射频功率产品
MEMSensing(敏芯微)
射频功率产品
MiraMEMS
Greenliant
Renesas
晶体振荡器
放大器
射频功率产品
衰减器
收发器
调制解调器
FAIRCHILD
放大器
衰减器
开关
变压器
移相器
晶体管
均衡器
Advanced Photonix
射频功率产品
ERZIA
放大器
Amplifier Solutions
放大器
射频功率产品
Winsenso
射频功率产品
Amphenol Advanced Sensors
射频功率产品
HuMANDATA LTD.
MINCO
射频功率产品
Decawave
收发器
评估板
Micron(美光)
射频功率产品
ST(意法半导体)
微控制器
调制解调器
变压器
评估板
KR Electronics
滤波器
带通滤波器
射频功率产品
功分器
均衡器
PASTERNACK
放大器
开关
衰减器
耦合器
变压器
混频器
移相器
模块
适配器
偏置器
电缆
数模
Hubersuhner
连接器
B&Z Technologies
宽带放大器
波导放大器
窄带放大器
多倍频程放大器
毫米波放大器
微波放大器
中功率放大器
低噪声放大器
高功率放大器
高动态范围放大器
低温放大器
SiTime
Everlight Electronics
Low Noise Factory
Cree LED
KYOCERA AVX
Traco Power
Navitas
XP Power
Torex Semiconductor Ltd
Samtec
Grayhill
Diodes Incorporated
Nth Dimension
Protektive Pak
ScioSense
芯谷微电子
Melexis
复旦微电子
MPS(芯源)
Susumu
圣邦微电子
MICROSENSOR
Glenair
Harwin
杭州瑞盟
Vicor
CUI Inc
Antenova
RFMi
Qualcomm
Murata
Knowles Corporation
Johanson Technology
iNRCORE
Eaton
Bel Fuse
TAIYO YUDEN
Silicon Labs
ROHM Semiconductor
Littelfuse
TT Electronics
Sparkfun
KIOXIA
Seoul Semiconductor
B&K Precision
MOLEX
Quinstar
Amcom
akoustis
顺络电感
Apex
Stackpole Electronics
NKK SWITCHES
NIDEC尼得科
Broadcom(博通)
Apem
AE Techron (EMC)
Fox / Abracon
LEM
IXYS Corporation
IPP
HanRun汉仁
ASI
EAO
EPSON(爱普生)
MARVELL(迈威)
Hirose Electric
GigaDevice(兆易创新)
JST Connectors
深圳研通高频
3M
CJT(长江连接器)
Chipanalog(川土微)
ASR
Nexperia(安世)
微传科技
上海永铭
拓维电子
OMRON
National Instruments
UMW友台半导体
ISSI(美国芯成)
DELTA(台达)
QPhotonics
AirBorn
Coilcraft(线艺)
OSRAM(欧司朗)
rosenberger罗森伯格
Fairview Microwave
Teledyne
TST(嘉硕)
北京中讯四方科技
艾诺半导体
上海芯炽科技
AISHI(艾华集团)
米乐为微电子
爱浦电子科技
XTALTQ(恒晶科技)
Corebai(芯佰微)
YANGJIE(扬杰)
HRE(芯声)
AVX
AOS(美国万代)
3PEAK(思瑞浦)
凯美能源
深圳美阳电子
中科亿海微
开发板与套件
IP核
器件
金升阳
恒率科技
工业开关电源
AC-DC 模块电源
DC-DC 模块电源
Tagore特罗半导体
infineon(英飞凌)
固态继电器
AC-DC电源转换
栅极驱动IC
二极管 & 晶闸管
氮化镓晶体管
雷迪埃Radiall
成都康迈微科技
Narda
SignalShark® 远控分析仪
SignalShark®手持
电磁辐射固定点监测
电磁辐射个人防护
选频电磁辐射测量
宽带电磁辐射测量
Bourns
扼流圈
传感器
二极管
Crystek
振荡器
放大器
衰减器
滤波器
功率检测器
电缆组件
压控振荡器
Mitsubishi Electric
模块
ams(艾迈斯半导体)
射频开关
微控制器
电池管理 IC
Acconeer
A1雷达传感器
PLX
TDK
分频器/分离器
耦合器
三工器
双工器
ECM
适配器
收发器
连接器
晶体管
UIY
功分器
连接器
环形器
Skyworks
放大器
耦合器
开关
衰减器
混频器
模块
收发器
连接器
晶体管
转换器
变频器
Ditom
限幅器
循环器
PMI
放大器
衰减器
开关
功分器
限幅器
调制解调器
均衡器
数模
分频器
Connphy
放大器
衰减器
开关
耦合器
变压器
移相器
倍频器
偏置器
Wolfspeed
射频功率产品
晶体管
Sagemillimeter
射频功率产品
放大器
衰减器
开关
变压器
混频器
模块
适配器
倍频器
功分器
电缆
振荡器
天线
控制器
API
射频功率产品
放大器
衰减器
开关
变压器
功分器
Optelit
模块
收发器
数模
功分器
AEROTEK
循环器
隔振器
Raditek
混频器
滤波器
调制解调器
频率合成器
模块
振荡器
天线
变频器
循环器
隔振器
Piezodrive
执行器
Ezform
连接器
电缆
Polyphase Microwave
微波产品
检波器
EMC
衰减器
变压器
连接器
适配器
Dowkey
开关
衰减器
Psemi
开关
限幅器
耦合器
检波器
倍频器
衰减器
均衡器
晶体管
模块
Southwestmicrowave
适配器
连接器
频率合成器
负载
Keysight Technologies
射频功率产品
衰减器
开关
耦合器
变压器
混频器
倍频器
NoiseWave
晶体管
模块
Microwave Amps
放大器
Anatech electronics
射频功率产品
功分器
BANNER
放大器
射频功率产品
Guerrilla RF
放大器
模块
Vishay
功率集成电路
其他
衰减器
天线
Maxim
微控制器(MCU)
温度传感器IC
电源管理
放大器
调制解调器
评估板
收发器
Coolgear
电缆
适配器
TE
连接器
射频功率产品
滤波器
适配器
功分器
天线
Onsemi(安森美)
放大器
滤波器
射频功率产品
晶体管
收发器
数模
滤波器
功分器
转换器
电源管理
射频功率产品
晶体管
收发器
数模
功分器
转换器
电源管理
控制器
北京骏业世纪科技有限公司
电缆
Qotana
放大器
衰减器
开关
耦合器
变压器
移相器
功分器
限幅器
循环器
环形器
Eclipse MDI
电源模块
放大器
倍频器
混频器
变压器
限幅器
耦合器
检波器
均衡器
SAMSUNG
射频功率产品
Vacuumschmelze
Honeywell
射频功率产品
RESCU 406自动固定导航(AFN2)
Alazartech
接口
转换器
定制服务
解决方案
电缆组件选型
航空航天与国防
毫米微波
5G毫米波通讯
低温纳米
射电天文
测试测量
微波暗室--微波器件解决方案
超导量子
射电望远镜-低温接收机
联系我们
联系方式
您现在的位置:
首页
>
产品商城
>
分频器/预分频器
放大器
低噪放大器
超低噪声放大器
低噪放大器
自动电平控制低噪声放大器
前置过载保护低噪声放大器
高功率放大器
线性放大器
有线电视放大器
增益模块放大器
可变增益放大器
双匹配放大器
脉冲放大器
多倍频程放大器
宽带放大器
一般用途放大器
低失真放大器
GaN放大器
光纤放大器
Ka波段放大器
GPS波段放大器
功率放大器
仪表放大器
电流感应放大器
单端转差分放大器
比较器
音频放大器
专用放大器
电流检测放大器
DPS和PMU
引脚驱动器
CATV线路驱动器
电荷积分放大器
运算放大器
运算放大器
JFET输入放大器
ADA4522产品系列
高压放大器
精密运算放大器
低输入偏置电流放大器
高速运算放大器
通用运算放大器
音频运算放大器
功率运算放大器
电流反馈放大器
窄带放大器
微波放大器
有机放大器
低温放大器
毫米波放大器
超宽带和监视放大器
短交付放大器
波导放大器
高动态范围放大器
卫星通信放大器
射频放大器
RF全差分放大器
RF驱动放大器
视频放大器
移动放大器
中功率放大器
直流耦合放大器
低功率放大器
互阻抗放大器
调制驱动器
混合放大器
限幅放大器
FTTx放大器
分布式放大器
光后置放大器
跨阻放大器
放大器
滤波器
带通滤波器
低通滤波器
高通滤波器
带阻滤波器
双工器
双工器
波导双工器
三工器
低通群时延
根升余弦滤波器
EMI滤波器
波导滤波器
陷波滤波器
悬浮基板带状线过滤器
多路复用器
可编程滤波器
WiFi滤波器
多工器
滤波器
变压器
表贴
接头
直插
信号变压器
平衡/非平衡变压器
功分器
功分器
双向功率分配器
功率分配器
宽带功率分配器
大功率合路器
电阻功分器
集总元件功分器
功分器/合路器
功分器/合路器
带状线功分器合路器
波导功率合成器/T形波导支路
波导功率分配器/组合器
同轴功分器/合路器
耦合器
大功率耦合器
波导耦合器&混合动力
混合耦合器
光电耦合器
光电耦合器
隔离门极驱动光电耦合器
调制器
IPM接口
数字光电耦合器
双向耦合器
微型混合耦合器
可变定向耦合器
可变定向耦合器
宽带耦合器
定向耦合器
混合器
耦合器
均衡器
表贴
幅度均衡器
双通道均衡器
冗余均衡器
固定
接头
裸片
环形器
混频器
平衡混频器
次谐波混频器
上变频器
下变频器
混频器
IQ混频器
倍频器
倍频器
倍频器和乘法器
倍频带和多倍频带SMA产品
振荡器
SAW谐振器
晶体振荡器
振荡器
计数器
信号发生器
压控振荡器
分频器/预分频器
调制调节器
表贴
交流发电机调节器
调制器/解调器
四相位调制器
双相调制器
适配器
USB以太网适配器
电源适配器
USB适配器
波导适配器
适配器
同轴适配器
控制器
其它控制器
微控制器
超低耗控制器
控制设备
单片相位和振幅控制器
通信控制器
电阻/电感
热敏电阻器
衰减器
控制衰减器
连续可变衰减器
二极管衰减器
温度可变射频衰减器
固定同轴衰减器
固定波导衰减器
手动波导衰减器
手动同轴衰减器
手动衰减器
可编程衰减器
数字步进衰减器
固定衰减器
电压可变衰减器
数控衰减器
电控衰减器
同轴高功率固定衰减器
大功率同轴衰减器
温度补偿衰减器
宽带固定衰减器
衰减器
步进衰减器
变频器
变频器
satcom变频器
射频合成器
下变频器
上变频器
负载
负载
射频负载
射频波导负载
射频同轴负载
端接/失配负载
电缆
JT系列测试电缆组件
RG系列军标电缆
JR系列半柔电缆
半刚同轴电缆
低损耗稳相电缆
电缆
驱动
LED激光器驱动器
中型TFFT-LCD驱动器IC
移动显示驱动IC
汽车显示驱动器IC
工业显示驱动器IC
线性驱动器
驱动器
调制器驱动器
偏置器
扼流圈
隔直流器
电源管理
阻抗匹配垫
晶振
模块
增益模块
转换器模块
发送模块
模块
开关模块
高功率开关LNA模块
双通道开关LNA模块
发送/接收模块
前端模块
天线
频率合成器
微合成器
数字频率合成器
频率合成器
集成混合频率合成器
限幅器
功率限制器
肖特基二极管探测器限制器
限幅器
PIN肖特基二极管限幅器
PIN二极管限制器
检波器
检波器
限制器保护隧道二极管探测器
偏压肖特基二极管探测器
零偏压肖特基二极管探测器
高灵敏度零偏压肖特基二极管探测器
带线微带线组件用隧道(背面)二极管探测器
隧道二极管探测器
移相器
移相器
波导移相器
手动可调移相器
电压控制移相器
数字步进移相器
鉴相器
表贴
接头
直插
鉴频鉴相器
评估板
执行器
功率检测器
同轴功率探测器
RMS响应功率检波器
波导功率探测器
开关
矩阵开关
机电开关
机械吸收开关
固态吸收开关
调谐控制开关
开关系统
射频开关
波导开关
开关
晶体管
微波晶体管
二极管
晶体管
GaN晶体管
分立式GaAs晶体管
分压器
数模
数模转换器
寄存器--锁存器
触发器
D触发器与JK触发器
模数
射频功率产品
功率监测器
脉冲线性射频功率晶体管
光子器件
时钟与数据恢复
激光器和调制器驱动器
地震传感器
震动传感器
惯性传感器
光电传感器
温度传感器
雷达传感器
运动和位置传感器
压力传感器
光学传感器
功率合成器
传感器
射频频率功率计
激光器和调制器驱动器
其他器件
单片机
逻辑器件IC
RF射频芯片
模组
开发板
信号调理器
加速度计
微硅(MEMS)麦克风产品
平面螺旋电感
多功能芯片
台式仪表
集成电路
示波器
波形发生器
FPGA电路板
显示集成电路
移动DDI
多制层封装芯片
固态硬盘
托管NAND存储器
多芯片封装(MCP)
RF配件
存储芯片
RF接入,监控IC
存储器
特殊闪存
嵌入式通用闪存
嵌入式多媒体卡
高带宽存储器
显存
四代低功耗双倍数据率同步动态随机存储器
四代超低功耗双倍数据率同步动态随机存储器
四代双倍数据率同步动态随机存储器
三代双倍数据率同步动态随机存储器
光学器件
缓冲器
接口
DLP产品
Pico 芯片组
射频浪涌保护器
噪声发生器
波导产品
微波单片集成电路(MMIC)
RFID/NFC
冗余切换单元
光纤链路
端子
电桥
导波管
同轴被动器件
直波导
其他未列明器件
线性产品
基准电压源
并联基准电压
串联基准电压
基准 + 比较器或放大器
微功率电压基准
GaN晶圆
数据路径管理
软波导
稳压器
多协议收发器
电能计量IC
音频和视频产品
光纤模块和组件
测试配件
测试系统
射频电阻
以太网连接、交换和 PHY
处理器
物联网处理器
宽带:CPE 网关、宽带网络基础设施和机顶盒
光纤通道网络
存储适配器、控制器及ICs
光电探测器
LED和显示屏
照相机和摄像机模拟前端
汽车音频总线®
电源监视器,控制器和保护
接口与隔离
IO扩展器
隔离器
波导隔离器
移动扩展器和键盘控制器
隔离式RS
LVDS/MLVDS
I²C & SMBus 总线缓冲器、加速器和多路复用器
隔离IC
隔离IC
isoPower/SPIsolator
USB隔离器
µModule隔离型收发器
标准数字隔离器
电池管理
电源管理
电池充电器
电池管理
频率计数器
数字可调电容器
防尘帽
蓝牙SoCs
GNSS / GPS SoCs
无线局域网蓝牙组合
无线局域网基础设施
FBAR设计
演示板
终端
时钟芯片
延迟线
连接器
连接器
旋转连接器
收发器
射频发射器
光纤接收器
光纤发射器
收发器
发送器
接收器
IF/RF接收器
视频接收器
接收器
测试和测量接收器
上变频器
电容阵列
超级电容器
组件
电缆组件
电缆组件
线担架
放大器组件
射频组件
波导组件
隔振器
波导隔振器
同轴隔振器
隔振器
集总元件隔振器
标准窄带下拉式隔振器
法兰插入式隔振器
转换器
控制盒
循环器
法兰插入式循环器
循环器
双绕组循环器
单接头循环器
波导循环器
同轴循环器
集总元件循环器
标准窄带下拉式循环器
工具
保险丝座
精密连接器量规
扳手
颜色:
全部
黑色
分频器:
全部
rfbayinc
PMI
Sigatek
ADI
排序:
默认
价格
销量
新品
活动:
全部
本月推荐
限时促销
热销商品
最新新品
搜索
共
276
个商品
1
/
9
上一页
下一页
市场价:
0
¥
0
HMC493LP3ETR
HMC493LP3(E)是一款低噪声4分...
库存:500
立即咨询
市场价:
0
¥
0
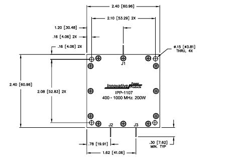
IPP-1107
IPP-1107 插入分流器——合流器I...
库存:544
立即咨询
市场价:
0
¥
0
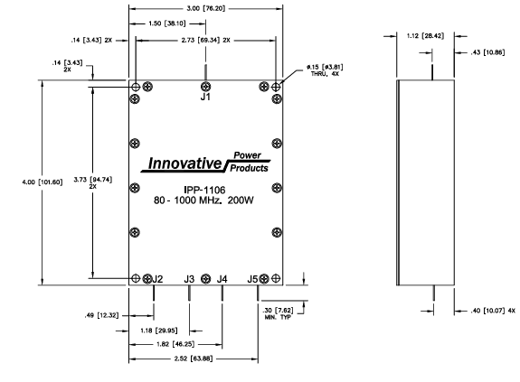
IPP-1106
IPP-1106 插入式分流器——合流器...
库存:311
立即咨询
市场价:
0
¥
0
IPP-1103
IPP-1103 插入式分流器——合流器...
库存:534
立即咨询
市场价:
0
¥
0
IPP-1102
IPP-1102 插入式分流器 – 合流...
库存:54
立即咨询
市场价:
0
¥
0
IPP-1052
IPP-1052分频器的定义IPP-10...
库存:88
立即咨询
市场价:
0
¥
0
MWD1006
MWD1006 是一款可变分频器,输入频...
库存:1000
立即咨询
市场价:
0
¥
0
HMC437MS8GETR
HMC437MS8GETR• SSB相位...
库存:100
立即咨询
市场价:
0
¥
0
HMC432ETR
HMC432ETR• 超低SSB相位噪声...
库存:100
立即咨询
市场价:
0
¥
0
HMC361S8GETR
HMC361S8GETR• 超低SSB相...
库存:100
立即咨询
市场价:
0
¥
0
ADF5001BCPZ-RL7
• 4分频预分频器• 高工作频率:4GH...
库存:100
立即咨询
市场价:
0
¥
0
HMC705LP4ETR
HMC705LP4ETR
库存:500
立即咨询
市场价:
0
¥
0
HMC862ALP3ETR
HMC862A是一款低噪声、可编程分频器...
库存:0
立即咨询
市场价:
0
¥
0
FD-0518-10-812
常规参数: 状态:Active...
库存:100
立即咨询
市场价:
0
¥
0
FD-0518-10-48
常规参数: 状态:Active...
库存:100
立即咨询
市场价:
0
¥
0
FD-70M-50M-1212
常规参数: 状态:Active...
库存:100
立即咨询
市场价:
0
¥
0
FD-30M-6M-1515
常规参数: 状态:Active...
库存:100
立即咨询
市场价:
0
¥
0
FD-160M-100M-1515
常规参数: 状态:Prelim...
库存:100
立即咨询
市场价:
0
¥
0
FD-1G-500M-55-SFF
常规参数: 状态:Prelim...
库存:100
立即咨询
市场价:
0
¥
0
CMDA-4D1G6D1G-3TTL-SFF-DP
常规参数: 状态:Active...
库存:100
立即咨询
市场价:
0
¥
0
FD-0518-10-610
常规参数: 状态:Active...
库存:100
立即咨询
市场价:
0
¥
0
FD-30M-6M-1515-1
常规参数: 状态:Active...
库存:100
立即咨询
市场价:
0
¥
0
DFD-2G18G-5512
常规参数: 频率范围: 2.0...
库存:100
立即咨询
市场价:
0
¥
0
FD-160M-100M-1528
常规参数: 状态:Prelim...
库存:100
立即咨询
市场价:
0
¥
0
FD-0518-10-3D1G3D5G
常规参数: 状态:Active...
库存:100
立即咨询
市场价:
0
¥
0
FD-0518-10-118
常规参数: 状态:Active...
库存:100
立即咨询
市场价:
0
¥
0
FD-0518-10-48-OPT3R5G5R5G
常规参数: 频率范围: 3.5...
库存:100
立即咨询
市场价:
0
¥
0
FD-30M-4M-1528
常规参数: 状态:Prelim...
库存:100
立即咨询
市场价:
0
¥
0
FD-1500M-500M-55-SFF
常规参数: 状态:Prelim...
库存:100
立即咨询
市场价:
0
¥
0
FD-60M-20M-1515
常规参数: 状态:Prelim...
库存:100
立即咨询
市场价:
0
¥
0
FD-0518-10-618
常规参数: 状态:Active...
库存:100
立即咨询
市场价:
0
¥
0
FD-0518-10-1218
常规参数: 状态:Active...
库存:100
立即咨询
联系方式
在线客服
咨询热线:010-62975458
行业新闻
Bourns推出多功能方形封装空气线圈电感系列
TDK堆叠µPOL电源管理模块,可提供高达200 A的组合电流
TDK推出B3271xP系列直流支撑薄膜电容器应对汽车和工业应用需求
圣邦微新推出SGM42214AQ智能四通道高侧开关
Microchip新推出电源模块 PMBus™提供25A直流-直流功率
英特尔推出全新至强 600 系列工作站处理器:更快、更强
Vishay推出新型商用和汽车级功率电感器,尺寸为紧凑型0806和1210
品牌排行
Mini-Circuits
ADI(亚德诺)
Marki Microwave
TI(德州仪器)
Qorvo
ST(意法半导体)
Xilinx(赛灵思)
热卖产品
AMS1117-3.3
市场价:
0
¥
0
发布时间:
2024
-
05
-
28
商品目录 线性稳压器(LDO) 输出类型 固定 最大输入电压 - 输出电压 3.3V 最大输出电流 1A 电源纹波抑制比(PSRR) 72dB@(120Hz) 压差 1.3V@(800mA) 待机电流 - 噪声 - 特性 - 工作温度 - 输出极性 正极 输出通道数 1
下单
详情
LFCN-1575+
市场价:
0
¥
0
发布时间:
2024
-
05
-
20
衰减频率(+/-δf)-最大值35万千赫衰减频率(+/-δf)-最小30万千赫最大频率衰减30分贝最小频率时的衰减20分贝平均输入功率10瓦中心或截止频率(fo/fc)1875兆赫过滤方式陶瓷LPF高度0.94毫米输入/输出阻抗50欧姆插入损耗-最大值3分贝JESD-609代码e3长度3.2毫米安装类型表面黏着方式最大截面数七部分数量-最小七最高工作温度100摄氏度最低工作温度-55摄氏度
下单
详情
5CEFA9F23I7N
市场价:
0
¥
0
发布时间:
2023
-
12
-
25
商品目录可编程逻辑器件(CPLD/FPGA)类型-逻辑门数量-工作电压范围 - VCCIO-逻辑单元数301000逻辑阵列块数113560最大引脚延迟-内嵌式块RAM(EBR)14251008bit工作温度范围-40℃~+100℃
下单
详情
知识工厂
一文了解LT1963A 线性稳压器的保护特性
LT1963A-X电源稳压器的过载恢复是什么意思?
关于LT3094负线性稳压器的稳定性和输出电容分析
前馈电容:LT3015稳压器的输出电压噪声、瞬态性能和 PSRR
LT3015低噪稳压器的保护特性是什么吗?简单介绍一下!
简单从三个方面了解LT3015低噪声、负线性稳压器
LT8362转换器芯片是如何实现超低静态电流?
共
276
条
页次1/9
首页
上一页
1
2
3
4
5
6
7
8
9
下一页
尾页
品质 •
正品行货 购物无忧
低价 •
普惠实价 帮您省钱
速达 •
专业配送 按时按需
关于我们
公司简介
荣誉资质
联系我们
加入我们
新手入门
隐私声明
购物流程
找回密码
登录注册
支付与配送
发票制度
配送时间与范围
运费收取标准
支付方式
售后服务
售后验货
退换货制度及流程
常见问题解答
扫一扫官方微信
Copyright ©2020 - 2021 兆亿微波科技有限公司
京ICP备2020039586号
网站地图
X
1
QQ设置
购物车
1
在线询价
1
3
SKYPE 设置
4
阿里旺旺设置
5
电话号码管理
电话
010-62975458
1
6
二维码管理
微信询价
1
一键配单
1
会员中心
1
返回顶部
展开