LT8390A降压-升压型控制器基本的 PCB 布局需要一个专用的接地平面层。此外,对于大电流应用,多层板可为功率元件提供散热功能。
接地平面层不应有任何走线,且应尽可能靠近功率 MOSFET 所在的层。
将 C_IN、开关 A、开关 B 和 D_B 放置在一个紧凑的区域内。将 C_OUT、开关 C、开关 D 和 D_D 放置在一个紧凑的区域内。
使用就近过孔将元件连接到接地平面。每个功率元件使用多个大过孔。
对 V_IN 和 V_OUT 使用平面层,以保持良好的电压滤波并降低功率损耗。
在所有层的所有未使用区域铺满铜。铺铜可降低功率元件的温升。将铜皮区域连接到任意直流网络(V_IN 或 GND)。
分离信号地和功率地。所有小信号元件应回流至底部裸露的 GND 焊盘,该焊盘再连接到靠近开关 B 和开关 C 源极的功率地。
将开关 A 和开关 C 尽可能靠近控制器放置,保持 PGND、BG 和 SW 走线短。
将高 dV/dT 的 SW1、SW2、BST1、BST2、TG1 和 TG2 节点远离敏感的小信号节点。
由开关 A、开关 B、D_B 和 C_IN 电容形成的路径应具有短的引线和 PCB 走线长度。由开关 C、开关 D、D_D 和 C_OUT 电容形成的路径同样应具有短的引线和 PCB 走线长度。
输出电容的负极(-)端子应尽可能靠近输入电容的负极(-)端子连接。
将上管驱动自举电容 C_BST1 就近连接到 BST1 和 SW1 引脚。将上管驱动自举电容 C_BST2 就近连接到 BST2 和 SW2 引脚。
将输入电容 C_IN 和输出电容 C_OUT 就近连接到功率 MOSFET。这些电容承载 MOSFET 的交流电流。
LSP 和 LSN 走线应一起布线,保持最小的 PCB 走线间距。避免检测线穿过噪声区域(如开关节点)。LSP 和 LSN 之间的滤波电容应尽可能靠近芯片。在 R_SENSE 电阻处使用开尔文连接以确保精确的电流检测。建议使用低 ESL 检测电阻。
将 V_C 引脚补偿网络就近连接到芯片,位于 V_C 和信号地之间。该电容有助于滤除 PCB 噪声和补偿环路中的输出电压纹波。
将 INTV_CC 旁路电容 C_INTVCC 就近连接到芯片,位于 INTV_CC 和功率地之间。该电容承载 MOSFET 驱动器的电流尖峰。
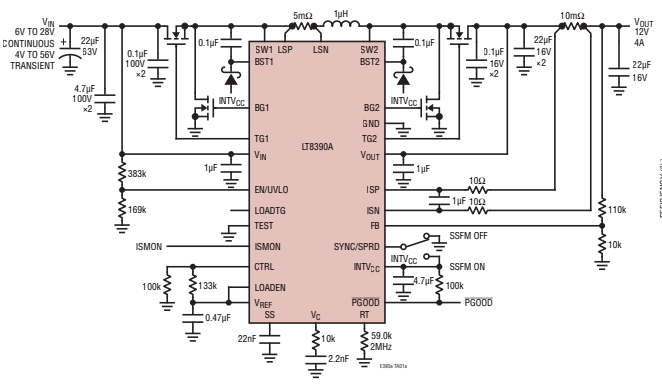
附图:95%高效48W(12V 4A)2MHz降压升压电压调节器
