布局指南
为了使设备达到最佳运行性能,请使用良好的印刷电路板(PCB)布局实践,包括以下指南:
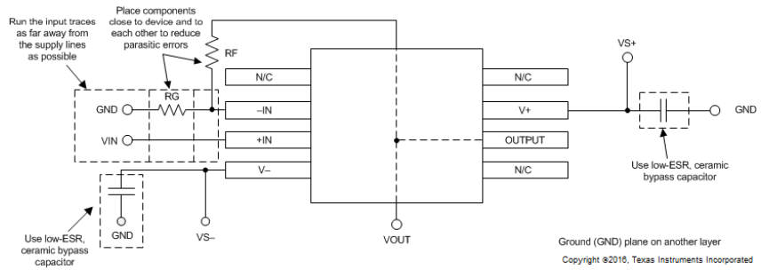
噪声可以通过整个电路的电源引脚和运算放大器本身传播到模拟电路中。旁路电容器用于通过在模拟电路本地提供低阻抗电源来降低耦合噪声。
在每个电源引脚和地之间连接低ESR、0.1-μF的陶瓷旁路电容器,尽可能靠近设备。从V+到地的单个旁路电容器适用于单电源应用。
电路模拟和数字部分的单独接地是最简单、最有效的噪声抑制方法之一。多层PCB上的一层或多层通常用于接地平面。接地平面有助于散热并减少EMI噪声。确保数字和模拟接地在物理上分开,注意接地电流的流动。
为了减少寄生耦合,请将输入迹线尽可能远离电源或输出迹线。如果这些迹线不能分开,垂直穿过敏感迹线比平行穿过噪声迹线要好得多。
将外部组件尽可能靠近设备放置。
保持输入轨迹的长度尽可能短。始终记住,输入迹线是电路中最敏感的部分。
考虑在关键迹线周围设置一个驱动的低阻抗保护环。保护环可以显著减少附近处于不同电位的迹线的漏电流。
为了获得最佳性能,建议清洁PCB板组件。
由于湿气进入塑料封装,任何精密集成电路都可能出现性能变化。在任何水性PCB清洁过程之后,建议烘烤PCB组件,以去除清洁过程中引入设备封装的水分。在大多数情况下,85°C的低温清洗后烘烤30分钟就足够了。
布局示例
