TPS7H6101说明

TPS7H6101 是一款具有集成式栅极驱动器的抗辐射 200V e 模式 GaN 功率 FET 半桥;集成 e 模式 GaN FET 和栅极驱动器可简化设计、减少元件数量并缩小布板空间。支持半桥和两个独立开关拓扑、可配置死区时间和可配置击穿互锁保护,有助于为各种应用和实现提供支持。
特性
辐射性能:
通过了总电离剂量 (TID) 为 50krad(Si) 的辐射批次验收测试 (RLAT)
单粒子瞬变 (SET)、单粒子烧毁 (SEB) 和单粒子栅穿 (SEGR) 对于线性能量传递 (LET) 的抗扰度高达 43MeV-cm2/mg
单粒子瞬变 (SET) 和单粒子故障中断 (SEFI) 的特征值高达 (LET) = 43MeV-cm2/mg
200V e 模式 GaN FET 半桥
15mΩRDS(ON)(典型值)
100kHz 至 2MHz 运行
LGA 封装:
带有散热焊盘的热优化 12mm × 9mm LGA 封装
集成式栅极驱动电阻器
低共源电感封装
电气隔离式高侧和低侧
适用于各种半桥和两种开关电源拓扑的灵活控制
低传播延迟
两种工作模式
具有可调死区时间的单个 PWM 输入
两个独立输入
可编程的死区时间控制
在独立输入模式下提供可选输入互锁保护
5V 栅极驱动电源,可实现稳定的 FET 运行
应用
• 卫星电力系统 (EPS)
• 电机驱动器
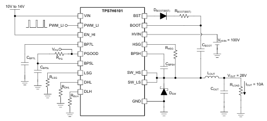
典型应用电路

免责声明:本文为转载文章,转载此文目的在于传递更多电子元器件行业信息,版权归原作者所有。本文所用视频、图片、文字如涉及作品版权问题,请联系小编进行删除。