无刷直流电机(BLDC)因为其寿命长、较少的维护以及效率高等优点得到广泛的应用。基于此,BLDC广泛应用于 DIY 以及专业级电池供电相关电机产品中,如电动工具、园艺工具、商用及消费性多轴飞行器、电池供电家用电器、机器人、低速电动车等。这些产品中使用了不同类型的电机和控制策略,因此其电压,扭矩,产品规格参数等均不相同,那么有没有一个通用的控制芯片来实现不同电机产品的控制呢?
有,这即是英飞凌的新型三相电机智能驱动芯片 6EDL7141,这是一个智能三相电机控制栅极驱动器,能用于各种不同场合的电池供电的电机控制应用。6EDL7141 栅极驱动器支持 12-48V 级的电池供电应用场合,此芯片具有完全可编程设计能力,可以通过大量的参数配置,实现多种 PWM 控制以及制动模式控制,并具有完备的保护功能,如过电流、过热、堵转检测等。
接下来会了解到此三相电机智能驱动芯片的整体架构,特性,以及其创新的栅极驱动能力,并通过其 GUI 工具方便地进行设计以及在线调试,同时现有的参考评估板也可以让设计人员快速地实现产品设计,加速产品上市周期。
产品概览
用于电池供电型 BLDC 电机控制的三相电机控制栅极驱动器 IC,MOTIX TM 6EDL7141 是英飞凌最新推出的三相电机控制栅极驱动器IC。6EDL7141可用于开发使用 BLDC 或 PMSM 电机的高性能电池供电型产品,应用包括无线电动工具、 园艺电动产品和自动引导车等许多应用场合。MOTIX TM 6EDL7141 具 有 50 多个使用SPI 接口可编程的参数,可完全参数化配置,以驱动各种 MOSFET,得到最佳的系统效率。
MOTIX? 6EDL7141 采用 48 引脚 VQFN 封装,具有很大的灵活性,其工作电压为 5.5-60V,可配置的栅极驱动灌电流和拉电流,最高达1.5A,能够有效驱动各种 MOSFET,以完美适合各种应用场合。得益于内置双充电荷泵,它的栅极驱动器电源电压可设置为 7V、10V、 12V 或 15V,即使在低电池电压下也可以调节。MOTIX? 6EDL7141栅极驱动器参数亦可调整,能够控制压摆率,以最大限度地减少系统的电磁干扰。MOTIX? 6EDL7141 的所有设置都可以通过简单易用的 GUI 快速更改。

图 1 直流无刷电机的控制应用简图

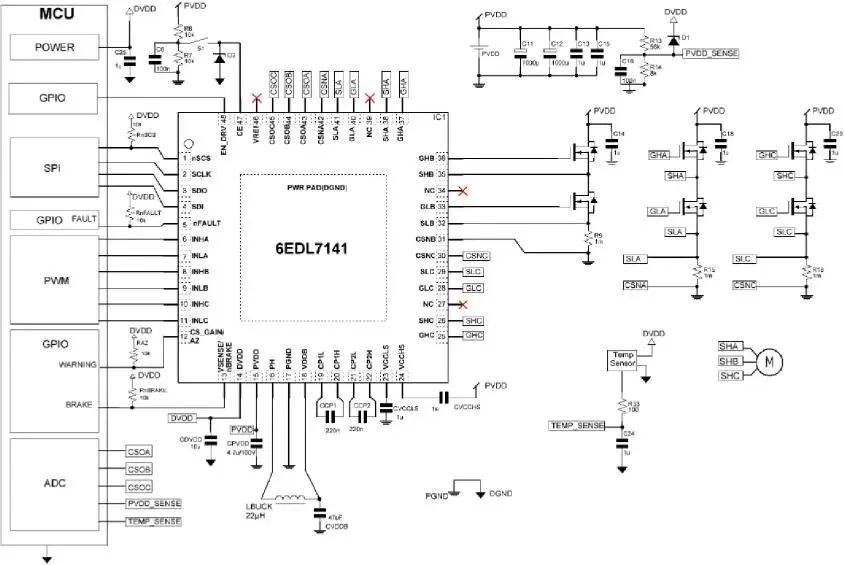
图 2 6EDL7141 典型应用原理图
电源架构丰富
集成降压调节器仅需一个外部电容和电感来为电机中的微控制器和霍尔传感器供电,从而进一步减少了外围器件和所需的PCB 空间。高性能电动工具通常还需要使用精确的 ADC 参考电压进行高精度的电流测量。MOTIX? 6EDL7141 采用先进的线性功率调节器架构,由内部降压转换器供电,可在任何输入和输出条件下提供最佳信号质量,同时优化电源效率。
图 3、图 4 可以看到,MOTIX? 6EDL7141 内部集成高效同步 Buck DC-DC 转换器为整个系统提供高压供电,输入电压范围宽至 5.5-60V,如果当 PVDD ≥9.5V,VDDB 能够提供高达 600mA 的电流,同时配备由Buck 转换器输出供电的 LDO 稳压器可提供高达 300mA 的低噪声数字电源。作为系统级设计时,可以灵活选择供电方式,如:Buck 或 LDO 输出为外部组件(MCU、霍尔等)供电,为配套的 MCU 提供电源,从而省去了所需要的电源配置。

图 3 6EDL7141 芯片内部电源管理架构图

图 4 6EDL7141 芯片内部电源管理架构图
可调节的栅极驱动参数
系统中的供电由降压稳压器供电,为所有三相高/低端侧驱动器提供偏置电源。基于电荷泵的三相栅极驱动器支持100%占空比输出, 同时得益于双充电荷泵设计,它的栅极驱动器电源电压,可以通过 SPI参数设置为 7V、10V、12V 或15V,即使在低电池电压下也允许驱动标准电平的 MOSFET。高低侧栅级驱动能力高达1.5A,内置可调节的驱动电流设计,这也是通过 SPI 参数设置来实现调节,可以配合英飞凌的 MOSFET 实现系统最佳的效率,以实现不同功率等级应用。
除了能够选择栅极驱动器拉电流和灌电流之外,6EDL7141 具有创新和独特的驱动转换速率控制功能,通过控制栅极驱动电压的上升斜率和上升下降时间,以优化电池供电应用中的 EMI 和开关损耗。动态优化 dv/dt 能够以最佳性能使用 MOSFET。这可以极大降低开关损耗并有利于工作频率提升。
PWM 模式以及制动方式
6EDL7141 提供 4 种不同的 PWM 模式和一个变种模式,以满足不同的 MCU 需求。第一种模式是 6 PWM 模式,通过使用来自 MCU 的 6 个 PWM 信号以最经典方式驱动栅极驱动器。
6EDL7141 还具有其他 3 种模式,通过智能化来简化 MCU 侧的 PWM 生成。这些与集成的保护功能一起,为驱动器应用带来了高可靠性和更快的开发过程。智能死区时间控制将确保在任何情况下都不会发生击穿。高度可配置的制动模式提供对电机或系统事件实现安全响应。不同的 PWM 模式是通过 SPI 来设定。

图5 4种不同的PWM 模式
而在制动时,6EDL7141 将在制动事件发生时将栅极驱动器输出设置为预定义状态,在与 XMC1400 或其他 MCU 集成时,可以通过内部和外部的双重制动,来提高系统的可靠性。外部的制动即是由外部 MCU 或系统中的任何其他故障源处理。6EDL7141提供以下几种制动模式,如图6所示。
// 高侧制动——所有上管导通,下管关断
// 低侧制动——所有下管导通,上管关断
// 交替制动——在高侧和低侧制动之间交替进行
// 高阻——所有输出均设置为高阻抗
逆变器的直通问题需要极度关注,死区时间的智能化处理也是有效防止器件直通的有效手段,6EDL7141 死区时间可以编程设定,上升沿死区时间和下降沿死区时间可独立编程(通过 SPI 实现)。在编辑设定死区时间时,需要确保死区时间足以满足转换速率的配置和所选择的 MOSFET 的要求。

图6 制动模式

图 7 6EDL7141 内置保护逻辑细节
6EDL7174 内部集成了 3 个具有可调偏移和增益的运算放大器,可用于通过分流电阻器测量逆变器中的电流。如图 8 所示,它支持单、双或三组分流检测。同时具有 3 个可调节抗尖峰脉冲功能的霍尔传感器比较器,这样可以实现可调节的保护参数设置以适配不同的系统功率、不同故障保护阈值设置。
其中 OCP 过流保护是电机应用中一个极为重要的保护特性, 6EDL7174 其内部的 OCP 比较器机制具有集成高精确的 DAC 参考电压,正 OCP 和负 OCP 功能,PWM 截断,带抗尖峰脉冲定时器,故障触发事件配置等。当然 OCP 过电流保护也存在如下位置:如在分流或 Rdson,DVDD,LDO OCP,降压转换器 OCP 等位置。同时芯片供电的 UVLO 也没有缺失,如 PVDD、栅极驱动器电源、DVDD LDO 的欠压锁定保护,以及系统层面的过温报警和保护关断,可配置看门狗、基于霍尔传感器输入的转子锁定检测,存储器故障这些一起为电机控制实现系统化集成保护,提升了电机系统的可靠性。

图 8 支持单(A)、双(B)和三(C)组并联电流检测配置
对于故障保护的响应,也可以通过软件配置,如制动,高阻,锁存或不锁存故障以适合不同的应用需求。
图形用户界面 (GUI) 工具
英飞凌为电机驱动控制设计提供了 GUI 工具,用户可以通过 GUI 界面实现器件的选择,参数的任意配置,这些只需要通过参数写入即可以实现可视化的参数配置和效果,大大简化和节约设计时间。调节后的参数可以存储在 OTP 中。完成 OTP 操作后,还可以通过 SPI 命令更改一些配置,6EDL7141 提供高达 50 个参数可以通过 SPI 配置。
利用 GUI 和 SPI,即使是非专业电机控制设计人员也能轻易利用 6EDL7141 设计出优秀的电机控制系统。

图 9 英飞凌电机控制 GUI
评估板加速设计上市过程
现 在 英 飞 凌 提 供 关 于 此 三 相 智 能 驱 动 器 的 评 估 版 EVAL_6EDL7141_TRAP_1SH,此电机驱动板设计用于具有梯形波控制的电池供电无刷直流 (BLDC) 电机驱动器,用于无线电动工具等应用。该评估板与包含用于转子位置感测的集成霍尔传感器的电机配合使用,将 XMC1400 系列微控制器与 6EDL7141 三相智能驱动器 IC 和英飞凌功率 MOSFET 相结合。从评估板的设计可以看出,由于高集成度,6EDL7141 减少了系统组元件数量和上市时间,同时显着提高了功率密度、系统性能和峰值功率脉冲能力。
评估板具有完全可配置的操作参数,集成和可配置的板载电源和栅极驱动输出,可配置的保护模式。内置调试器,直接连接到 USB进行调试,评估板可独立运行或通过 Infineon 电机控制 GUI运行。
此评估板其直流输入电压 12 V 至 24 V,额定 18V,最大输入电流 30 A,峰值运行功率可达 500W。可作为包括无绳电动工具、园艺产品、自动导引车、电动自行车、无人机和电池供电机器人等电机控制应用设计参考。

图 10 评估版 EVAL_6EDL7141_TRAP_1SH
小结
英飞凌的三相智能电机栅极驱动器 6EDL7141,以完善的集成度,多种集成功能,可大幅减少外部组件数量和成本,包括内置电源转换器,智能驱动,传感检测,全面的保护提升可靠性,可配置的参数实施,为电池供电的电机驱动应用提供了方便快捷的设计,缩短产品设计开发周期和上市时间。