新能源是支撑国家可持续发展的关键,随着“碳达峰”和“碳中和”目标的提出,中国新能源产业发展将再次提速。但新能源产业发展面临的一个关键问题是发电与用电区域不均衡,风电、太阳能和水电等可再生能源主要集中在西部和西北部,用电则主要集中在中东部。并且风电和太阳能(光伏)等发电方式波动性较大,在新能源布局较多的西北部地区,由于用电负荷低于发电量,造成了较高比例的“弃风”、“弃光”现象。
将大规模波动性新能源发电接入电网,一方面要提高储能技术,另一方面也要改善输配电状况,“西电东送”是解决能源分布不均的重要途径,而“西电东送”的实现则离不开特高压技术。
特高压具有输电容量大、输电距离远、传输损耗低、占地少、经济性明显等特点。“十四五”期间,中国国家电网规划建设特高压线路“24交14直”,涉及线路3万余公里,变电换流容量3.4亿千伏安,总投资3,800亿元。2022年,中国国家电网再开工建设“四交四直”8项特高压工程,总投资超过1,500亿元,特高压建设迎来新一轮高潮,也拉动了相应产业链的成长。

图1:特高压输电示意图
(图源:中商产业研究院)
本文我们将重点讨论特高压技术的优势和挑战,以及应用于特高压系统的功率器件有哪些,并为大家推荐几款兆亿微波电子平台在售的、可用于特高压系统的功率器件。
特高压输电的优势和挑战
输电电压按等级可以分为低压、高压、超高压和特高压几种,低压通常是220V和380V,也就是家用和一般工业用电的电压;高压指的是电压等级在10KV-220KV,城市高压电缆一般埋在地下,野外则是架在铁塔上为主;超高压范围在330KV-750KV之间,通常是水力、火力发电等输送的电压;特高压通常是指±1,000KV及以上交流和±800KV及以上的直流输电。
如图1所示,特高压既有交流又有直流模式,具体哪种模式好,目前产业界尚无定论。交流模式的优势在于能够和现阶段的电网系统直接接入,直流模式的优势则在于损耗小,传输距离远,抗故障能力强,同样电压等级能传输更大功率,不过直流模式和当前的交流电网系统在融合时,需要额外增加换流系统。当然,无论是交流还是直流模式,与高压、超高压输电相比,特高压的优势都是显著的。
首先,特高压传输效率高
1,000KV特高压交流输电线路输送功率约为500KV输电线路的5倍;±1,100KV特高压直流输电能力是±500KV输电线路的4倍。
其次,特高压输电距离远,线路损耗低
输送相同功率时,1,000KV交流特高压和±1,100KV直流特高压的输电距离分别是500KV输电线路的4倍和5倍,而线路损耗只有500KV线路的四分之一。
第三,节约用地
在输送功率相同的情况下,与500KV超高压输电线路相比,采用1,000KV线路输电单位容量线路走廊占地减少30%,可节省60%的土地资源。
当然,特高压作为新型电力系统的核心技术,在具体实施的过程中也面临着很多挑战。特高压系统的柔性便是一个挑战,再回头看图1,并且我们开篇也提到了,新能源发电是特高压系统的重要供电源之一,新能源发电的随机性、波动性、间歇性需要特高压系统具备智能、柔性的调节能力;特高压系统带来的另一个典型挑战是系统检修,对于人类巡检员来说,特高压系统检修被定义为“终极挑战”,非常危险,并且很多新能源发电设备地处偏远,进一步增加了巡检的难度。
特高压生态中的功率器件
下面,我们通过直流特高压输电系统具体看一下,整个生态中会用到哪些功率器件。
直流输电核心器件主要由换流站(换流阀)和功率半导体(晶闸管/IGBT)组成。换流阀是直流输电的核心,价值量集中、技术壁垒高。换流阀中的功率半导体组件是换流阀中价值量占比最高的部分,由大量晶闸管、IGBT组成。许继电气在投资者互动平台表示,特高压直流项目中,换流阀占整个建设成本的比例约为10%,占电力设备成本的比重约为30%,而IGBT则占据了柔性直流换流阀成本的近三分之一,常规直流换流阀采用晶闸管比较多,相对便宜一些。
随着电力系统的电力电子柔性化进程加快,焊接型IGBT模块在容量、效率、电路拓扑和可靠性等方面都难以满足应用需求,而压接型IGBT作为一种容量更大、更易串联应用的新型封装形式,是特高压柔性直流输配电技术的关键核心器件。
为了克服特高压系统巡检难题,5G+特高压深度融合,通过一种专门为特高压电网系统建设的5G基站,承载密集通道智能运检业务的电力5G虚拟专网,帮助完成特高压系统的无人机巡检、高精度定位、智能AI操作等功能。在特高压质检系统中,晶闸管、IGBT、IGBT模块以及智能功率模块的用量都不小。
当前,功率半导体器件正朝着提升功率密度、提高开关速度、降低工作损耗、提高耐温和增强可靠性等方向发展;但也面临着器件结构精细化、功能集成与智能化、热管理与可靠性、新型材料与工艺等方面的技术挑战。在特高压输电生态中对功率器件总体要求是高电压、大功率、效率高、热性能好、可靠性高,只有具备多年技术积累的功率器件厂商,才有机会成为特高压生态的供应商。
综上所述,电子元器件在特高压生态中发挥着重要作用,从特高压输电到发电、配电和用电,工程师都可以在兆亿微波电子官网上去查找所需元器件,以及相应的技术资料。下面我们推荐几款兆亿微波电子在售的,适用于特高压电网生态的功率器件。
可用于光伏逆变器的SiC MOSFET
太阳能光伏发电是特高压电力传输的能源供给来源之一。而逆变器作为光伏发电的关键设备,主要的作用是将光伏组件发出的直流电通过功率模块转变成可以并网的交流电,除此之外,逆变器还承担着检测组件、电网和电缆运行状态,以及通信等功能。传统上,光伏逆变器利用IGBT来实现直流到交流的转换,但相比硅基工艺的IGBT,基于第三代半导体碳化硅(SiC)工艺的功率管有更明显的优势。
硅基功率器件耐压值越高,其单位面积导通电阻就越大,IGBT就是为耐高压器件减少导通电阻而出现的,通过控制电导率,IGBT向漂移层内注入少数载流子空穴,因而导通电阻比MOSFET还小,但由于少数载流子的聚积,IGBT在关断时会产生尾电流,从而造成较大的开关损耗。SiC器件在漂移层的阻抗比硅器件低,因而不用调制电导率就能以MOSFET实现高耐压与低阻抗,而且MOSFET不会产生尾电流,所以用SiC MOSFET替换IGBT时,能够明显减少开关损耗,而且SiC MOSFET的高频特性更好,可以在IGBT不能工作的高频开关条件下去驱动电路,从而减少电源模块中电感的体积。
我们为大家推荐的第一款元器件来自制造商安森美(onsemi),是一款SiC MOSFET,兆亿微波电子网站上的物料号为NTH4L022N120M3S,大家可以通过查询此物料号快速了解该器件的相关信息。
NTH4L022N120M3S属于安森美 M3S 1200V 碳化硅(SiC)MOSFET,针对快速开关应用做了优化。该器件支持安森美的M3S技术,漏源导通电阻为22毫欧,且降低了EON和EOFF损耗。该器件由18V栅极驱动时可提供最佳性能,但也可与15V栅极驱动配合使用。此系列SiC MOSFET具有低开关损耗,采用TO247-4LD封装,降低了寄生电感。

图2:NTH4L022N120M3S结构与封装
(图源:安森美)
利用NTH4L022N120M3S,可实现直流到交流、交流到直流,以及直流到直流的转换,应用方式广泛,因而在电网设施中,NTH4L022N120M3S既可以用于光伏发电中的逆变器,也可以用于储能系统。
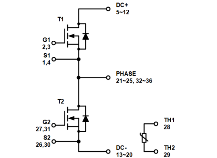
光伏逆变器中的半桥SiC模块
光伏逆变器的主逆变电路有半桥和全桥电路等类型。半桥逆变器由两个功率器件开关串联组成,输出端位于两个开关的中点,由上下两个开关的开通、关断来决定输出的电压。半桥逆变器配合两个分压电容,可以输出双端之间的高频交流电。开关旁一般需要并联续流二极管,以便在感性负载时起到续流作用。半桥逆变器配合正负双电压源,可以输出双端的完全交流、含有直流分量的交流以及完全直流信号。
半桥逆变电路的功率开关元器件少,结构简单,但主电路交流输出的电压幅值仅为输入电压的一半,在同等容量下,其功率开关的额定电流为全桥逆变电路中的功率元器件额定电流的2倍,由于分压电容的作用,该电路还具有较强的抗电压输出不平衡能力。
接下来,我们就推荐一款兆亿微波电子官网在售的安森美半桥SiC模块,在兆亿微波电子的物料号为NXH006P120MNF2PTG。

图3:NXH006P120MNF2PTG
NXH006P120MNF2PTG半桥SiC模块由两个工作电压1200V的SiC MOSFET开关和1个热敏电阻构成,采用F2封装。两个SiC MOSFET开关采用M1技术,由18V至20V栅极驱动,导通电阻仅为6mΩ。该模块采用平面技术,裸片热阻低,因此可靠性高,配合热敏电阻,可以满足逆变器工作时对于温度控制的要求。

图4:NXH006P120MNF2PTG系统电路
(图源:安森美)
NXH006P120MNF2PTG支持的工作结温范围从-40°C至+175°C,在结温175℃时能承受的最大连续漏级电流为304A,最大功耗为950W,是一款高性能、低损耗的半桥模块,非常适合太阳能逆变器、储能系统和UPS等电力电子应用,也可用于电动汽车充电桩领域。
光伏逆变器中的SiC二极管
在光伏逆变器市场,SiC二极管由于耐高压、耐高温、抗辐射强、小尺寸、功率密度高、容易冷却等优点,非常受市场青睐,尤其是在光伏逆变器的前级MPPT电路中,SiC二极管的这些优势更加被重视。根据光伏逆变器从业人士分享的数据,相较于使用Si二极管,使用SiC二极管的光伏逆变器,在系统损耗上能够减少30%,在产品体积和重量上能够减少40%-60%。
下面,我们为大家推荐一款安森美SiC二极管,兆亿微波电子网站上该器件的物料号为NDC100170A。

图5:NDC100170A器件横截面示意图
(图源:安森美)
NDC100170A基于安森美全新技术打造,最高结温+175°C,Vrrm(重复反向电压)为1.7kV,并具有出色的高浪涌电流能力。与硅器件相比,可提供出色的开关性能和更高的可靠性。该二极管无反向恢复电流,并具有温度独立的开关特性以及出色的热性能。

图6:NDC100170A正向特性
(图源:安森美)
综合而言,NDC100170A能够为光伏逆变器系统提高系统效率、加快工作频率、提高功率密度、降低EMI、减小系统尺寸并降低成本。此外,除了适用于光伏逆变器市场,NDC100170A也可用于工业电源以及风力发电逆变器领域。
可用于基站UPS的IGBT
如上文所述,5G+特高压已经成为智能电网里面的一对黄金组合,既提高了特高压系统的运维效率,也对人类巡检员起到了保护作用。不过,当我们对比用于特高压系统的5G基站和普通通信用5G基站时,前者所处的环境更加恶劣,温湿度变化更大,且遭遇暴雨雷击的概率也更高,那么配备UPS就是系统的必然选择。
下面,我们为大家推荐的这款器件依然是来自安森美,兆亿微波电子网站上该器件的物料号为FGHL50T65MQDT,是一颗可用于UPS系统的IGBT。

图7:FGHL50T65MQDT
FGHL50T65MQDT是场终止沟槽型IGBT,为第4代中速IGBT技术,最高工作结温为+175°C,具有正温度系数,便于并联工作。
如下图8所示,FGHL50T65MQDT具备出色的大电流能力,此外该器件出色的特征还包括平滑和优化的开关以及紧密的参数分布,再加上该器件100%经过ILM测试,能够从容应对特高压系统下5G基站对于UPS的巨大挑战。

图8:FGHL50T65MQDT典型输出特性
(图源:安森美)
当然,除了用于UPS设备,FGHL50T65MQDT也可用于太阳能逆变器、ESS、PFC和转换器等丰富场景。
“双碳”目标拉动功率器件创新
以新能源、特高压为代表的新型电网正在逐渐改变中国能源结构,在实现“双碳”目标的过程中,电网建设领域有大量功率半导体器件的应用场景,电网创新发展给功率器件提供了难得的发展机遇,类似于特高压或光伏逆变器元器件厂商及电力模块设计者都需要针对电网具体应用方向来优化技术方案,为工程师提供更好的技术选择。
而兆亿微波商城就像一个巨大的“储能基地”,为工程师提供了电网解决方案中需要用到的功率器件、功率模块和各种周边元器件,还有各种技术教程和相关资料。兆亿微波这样的“储能基地”正在为工程师在电力电子技术领域的创新提供源源不断的动力。