本实验活动的目的是检查硅控整流器(SCR)的结构和操作。SCR主要用在需要(在高电压下)控制更高功率的器件中。SCR能够开启和关断大电流,所以适合用于中高压AC电源控制应用中,例如灯光调节、稳压器和电机控制。此外,集成电路中可能无意形成SCR,当它们被触发时,可能导致电路故障,甚至出现可靠性问题和造成损坏。
背景知识
SCR是一种4层固态电流控制器件,具有三个端子。它们和传统二极管一样具有阳极和阴极端子,第三个为控制端子,被称为栅极。SCR是单向器件:只在一个方向传输电流,就像二极管或整流器一样。SCR只能由传输至栅极的电流触发;它兼具二极管的整流功能和晶体管的开/关控制功能;
一般用于电源开关应用。在常闭状态下,该器件将电流限制为泄漏电流。当栅极到阴极的电流超过一定阈值时,该器件开启并传输电流。只要通过器件的电流高于保持电流,即使在消除栅极电流后,SCR仍然保持开启状态。一旦电流低于保持电流一段时间,器件就会关断。如果栅极出现脉冲,并且通过器件的电流低于闭锁电流,器件将保持关断状态。
图1b显示SCR的4层结构,我们可以看到3个端子:一个位于外部P型层上,称为阳极A;第二个位于外部n型层上,称为阴极K;第三个位于下部NPN晶体管部分的基极, 称为栅极G。

图1.SCR等效电路。
如图1c所示,SCR可以视为两个单独的晶体管。SCR等效电路由一个PNP晶体管和一个NPN晶体管组成,两个晶体管互相连接,如图1d所示。我们可以看到,每个晶体管的集电极都连接到另一个晶体管的基极,形成一个正反馈回路。
SCR具有两种稳定状态。第一种,不导电的关断状态。在栅极端子开启的情况下,我们先假设没有电流流入NPN晶体管Q2的基极端子。如果基极电流为零,Q2的集电极电流也为零。如果Q2的集电极电流为零,那么从PNP晶体管Q1的基极流出的电流为零。如果Q1的基极电流为零,那么Q1的集电极电流应为零。这与我们的初始假设(Q2的基极电流为零)是一致的。由于Q1和Q2的集电极电流均为零(基极电流为零),我们可以得出,任何一个晶体管中的发射极电流也应为零。只要从发射极到集电极,通过Q1或Q2的任何泄漏电流非常小,这种零电流关断状态就会保持稳定。
第二种稳定状态是导通状态。可以通过将少量电流注入栅极端子,使SCR从关断状态转换或切换至导通状态。在这个回路中执行刚刚在关断状态下的相同步骤,我们可以看到,只要向Q2提供基极电流,就会有较大的集电极电流(是基极电流的?NPN倍)开始传输。这个Q2集电极电流将变成Q1的基极电流。Q1中的这个基极电流在Q1中产生更大的集电极电流(基极电流的?PNP倍)。Q1的集电极电流回流到Q2的基极,使其基极电流进一步增大。这个电流反馈回路建立之后,初始栅极电流可以消除,而只要SCR周围的外部电路通过SCR提供电流,SCR就会保持开启状态。关断SCR的唯一方式是使电流降低至低于关键“保持”电流水平。
关于这个正反馈回路,有一点需要注意:只要满足以下条件,SCR将会保持开启状态,并且会一直处于这种闭锁状态:

当SCR处于开启状态,从端子A到K在SCR两端的压降是Q1VBE和Q2VCESAT之和,与Q2VBE和Q1VCESAT之和并联。我们知道,当集电极基极结正向偏置到饱和区域,即VCE小于VBE时,BJT器件的?下降。两个晶体管的VCE会下降,直到满足正反馈增益方程,且?PNP × ?NPN等于1。
值得注意的是,BJT晶体管的?在集电极电流较小时也较小,根据上述方程,如果泄漏电流足够小,导致在这个低泄漏电流水平下,?PNP × ?NPN小于1,那么SCR会保持在关断状态。
ADALP2000模拟部件套件 不包含SCR,但我们可以利用分立式PNP和NPN晶体管来构建图1d所示的等效电路,以仿真SCR。
材料
● ADALM2000主动学习模块
● 无焊试验板
● 两个1 k?电阻
● 两个100 k?电阻
● 一个0.1 ?F电容
● 一个小信号NPN晶体管(2N3904)
● 一个小信号PNP晶体管(2N3906)
说明
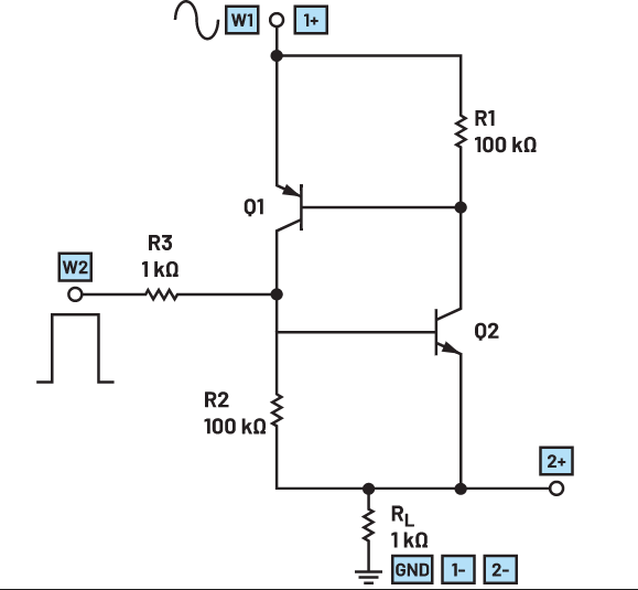
在无焊试验板上构建图2所示的SCR等效电路模型。

图2.用于仿真SCR的电路。
两个100 kΩ电阻R1和R2分别安装在每个晶体管各自的VBE位置,确保任何小泄漏电流不会自行触发仿真的SCR。电阻R3将来自AWG2的电压脉冲转换为触发电流。
硬件设置
SCR的试验板连接如图3所示。

图3.用于仿真SCR的电路试验板连接。
程序步骤
AWG1应配置为正弦波,峰峰波幅为10 V,零偏移,频率为100 Hz。AWG2应配置为方波,峰峰波幅为800 mV,400 mV偏移,频率为 100 Hz。确保同时运行两个AWG通道。
触发通道1上的示波器。观察示波器通道1的输入正弦波和示波器通道2上通过RL的电压,按180°至360°步长调节AWG2的相位。根据AWG2的相位设置,得出的曲线可能如下图所示。可以看到,通过RL的电压为零,SCR处于关断状态,直到AWG2发出触发脉冲,SCR一直处于开启状态,直到输入正弦波电压超过零。

图4.波形示例。

图5.Scopy波形示例。
当SCR处于开启状态并传输电流时,测量并报告通过SCR的压降。
通过调节AWG2,找出可以触发SCR的最小脉冲电压(幅度)。根据此电压R3和Q2的VBE,估算最小触发电流。对结果进行说明。
尝试给R1和R2使用更大值(1 M?)和更小值(10 k?)。最小触发电压会如何改变?
使用0.1 ?F电容替代电阻R3。该耦合电容充当微分器,将AWG输出的方波脉冲转变为方波的上升沿和下降沿上狭窄的正负尖峰电流。这会如何影响SCR的触发时间和触发方式?
集成电路中无意形成的寄生SCR
我们探讨了利用SCR特性的应用。遗憾的是,集成电路中可能不希望形成SCR,如果这些SCR触发,可能会导致电路故障,甚至导致集成电路产生可靠性问题和损坏。
闩锁
闩锁是一种潜在破坏性情况。这种情况会触发一个寄生SCR,造成正负电源短路。如果电流不受限制,会发生电气过应力。典型的闩锁情况发生在CMOS输出器件中,两个寄生基极-发射极结之一在过压事件期间暂时正向偏置时,驱动器晶体管和井会形成4层PNPN SCR结构。SCR开启并实际上造成VDD和地之间的短路。
由于所有这些MOS器件都位于单片芯片上,出现适当的外部激励时,寄生SCR器件可能会开启,这种情况在设计不良的CMOS电路中很常见。图6是两个晶体管的简化截面图,一个PMOS,一个NMOS;它们可以连接在一起作为逻辑门使用,或作为模拟放大器或开关使用。寄生双极晶体管负责进行闩锁,Q1(纵向PNP)和Q2(横向NPN)如图所示。

图6.PMOS和NMOS器件的截面图,包含寄生晶体管Q1和Q2。
可以采用合适的设计方法减少SCR形成的几率,包括增大NMOS和PMOS器件之间的间距,以及在NWELL和PWELL之间和周围插入高掺杂区。这两种布局方法都试图将纵向PNP或横向NPN寄生双极晶体管的?降低到小于1。其中一些方法还倾向于降低RPWELL和RNWELL的电阻,从而增加开启SCR所需的最小触发电流。
问题:
SCR与普通整流二极管有何不同?您可以在 学子专区 论坛上找到答案。