HMC451LC3是一款高效GaAs PHEMT MMIC中等功率放大器,采用符合RoHS标准的无引脚SMT封装。 该放大器具有5至20 GHz的工作范围,提供19 dB增益、+21 dBm饱和功率和21% PAE(+5.0V单电源)。 50 Ω匹配放大器无需任何外部元件,且RF I/O经过隔直,非常适合用作线性增益模块或HMC SMT混频器驱动器。 HMC451LC3可以使用表贴制造技术。
特性
• 增益: 19 dB
• 饱和功率: +21 dBm (21% PAE)
• 输出IP3: +30 dBm
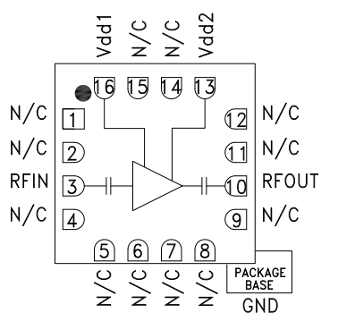
功能图
