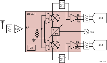
LTC®5594是一款直接变频正交解调器,专门针对300MHz至9GHz频率范围内的高线性度零IF和低IF接收机应用进行了优化。超过1GHz的超宽IF带宽使得LTC5594特别适合超宽带信号的解调,尤其是在5G前传/回程接收机应用中。LTC5594出色的动态范围使得这款器件适合要求苛刻的基础设施直接变频应用。LTC5594内置的专有技术能够将OIP2优化至65dBm,并实现优于60dB的镜频抑制性能。DC偏置控制功能可在A/D转换器输入端将DC偏置调零,从而优化采用DC耦合IF信号路径的真正零IF接收机的动态范围。宽带RF和LO输入端口使得能够采用单一器件覆盖所有主要的无线基础设施频段。LTC5594的IF输出专为直接与大多数常用A/D转换器输入接口连接而设计。该器件的高OIP3和高转换增益可免除在IF信号路径中增设放大器的需要。

应用
5G基站前传/回程接收机
军用和卫星接收机
点对点宽带无线电
高线性度直接变频I/Q SDR
测试仪器仪表
数字预失真(DPD)接收机