光电耦合器又是大家常说的光耦,其主要作用是实现输入和输出间的互相隔离,由于电信号传输具有单向性,因而具有良好的电绝缘能力和抗干扰能力。另外,光电耦合器的输入端属于电流型低阻元件,具有很强的共模抑制能力。常见的光电耦合器有栅极驱动光耦、高速通信光耦、车载光耦、光伏输出光耦等。
东芝TLP3910是一款由高输出GaAlAs(铝镓砷化物)LED光电耦合器和高速光电探测器组成的光伏输出光耦,适用于高压功率MOSFET的栅极驱动。
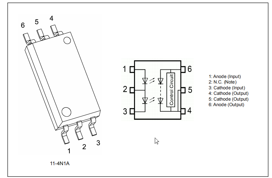
一、器件的基本特性

通过光电二极管串联,TLP3910适用于需要隔离的MOSFET栅极驱动应用。由于改进了VOC特性,TLP3910也能够驱动更高电压的MOSFET。该器件具有5000Vrms(最低)高隔离电压,符合国际安全标准的增强绝缘等级要求。该产品采用SO6L封装,工作温度范围为-40℃至125℃。
其主要特性如下:
● 高导通电压:VOC=14V(最小值)
● 短路电流:ISC=12μA(最小值)@IF=10mA,(C20档位产品)ISC=20μA(最小值)@IF=10mA
● 高隔离电压:BVS=5000Vrms(最小值)
● 高额定工作温度:Topr(最大值)=125℃
● 爬电距离(间距):8mm(最小值)
● 安全标准:符合UL 1577认证(文件号E67349);cUL认证(CSA部件验收服务5A,文件号E67349);VDE认证(EN 60747-5-5)

二、功能特性分析
光耦是一种内置光学器件但不具有用来执行MOSFET开关功能的光继电器。在配置隔离式固态继电器(SSR)设计时,通过将光耦与MOSFET结合使用,便可轻松实现光继电器难以支持的高压大电流开关。
光耦可以用来驱动高压功率MOSFET栅极,实现隔离式SSR功能。由于开路电压较低,在驱动栅极电压不低于10V的高压功率MOSFET时,需要串联两个东芝的现有产品TLP3906。
相比而言,新推出的TLP3910的最小导通电压为14V,是TLP3906的两倍。因此,只需一个器件就能驱动高压功率MOSFET栅极。这样就减少了元件数量,这也是新产品最大的亮点。
通过改进内置的放电电路,可实现0.1ms(典型值)的关断时间,约为TLP3906的1/3左右,TLP191B的1/30,从而实现更快的工作速度。
TLP3910是东芝首款最低隔离电压达到5000Vrms的光耦,同时保持了TLP191B和TLP3906两款现有产品的基本性能,便于在采用AC 400V电源系统驱动的工业设备中使用。此外,其最高工作温度达到125℃,进一步扩大了应用范围。

三、产品应用方向
TLP3910是MOSFET栅极驱动和超级结MOSFET驱动的理想选择。其应用主要是工业设备,如可编程逻辑控制器(PLC)等的I/O继电器触点输出;制动系统的电磁驱动器控制单元;主电源电路/浪涌电流保护电路;电池管理系统(BMS)的电池电压监测单元;接地故障检测单元。此外,TLP3910还可用于测试测量仪器的电源线开关、测量线开关和MOSFET栅极驱动。
四、简化栅极驱动设计
由于从原来的2个光耦改为使用一个光耦,TLP3910在实现相同功能的同时减少了元器件数量,有助于简化栅极驱动设计,节省成本,缩减电路板面积。另外,采用薄型S06L封装的TLP3910也可以使整个系统变得更小。