HMC962LC4是一款自偏置GaAs MMIC低噪声放大器,采用无铅4x4 mm陶瓷表面贴装封装。
该放大器的工作频率范围为7.5至26.5 GHz,提供13 dB的小信号增益,2.5 dB的噪声系数,+23 dBm的输出IP3,采用+3.5 V电源供电时功耗仅为70 mA。 +13 dBm的P1dB输出功率使LNA可用作平衡、I/Q或镜像抑制混频器的LO驱动器。 HMC962LC4还具有隔直的I/O,内部匹配至50 Ohms,因而非常适合高容量微波无线电和VSAT应用。
HMC962LC4具备哪些特征?
低噪声系数:2.5 dB
增益:13 dB
P1dB输出功率:13 dBm
单电源电压:+3.5V@70mA
输出IP3:+23 dBm
50欧姆匹配输入/输出
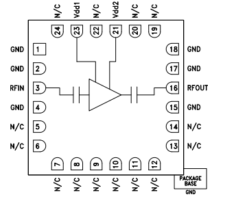
24引脚4x4 mm SMT封装:16mm²
因此,HMC962LC4低噪声放大器常被应用于点对点无线电、点对多点无线电、军事与航天、测试仪器等应用领域中。
上述就是关于HMC962LC4低噪放大器芯片的相关定义及参数信息,如有型号采购及选型需求,可直接联系兆亿微波电子元器件商城。
功能图
