HMC391LP4(E)是一款GaAs InGaP异质结双极性晶体管(HBT) MMIC VCO振荡器,集成谐振器、负电阻器件、变容二极管和缓冲放大器。 由于振荡器的单芯片结构,VCO的相位噪声性能在温度、冲击、振动和工艺范围内尤为出色,工作频率范围为3.9至4.45 GHz。 采用+3V单电源(30mA)时,输出功率为5 dBm(典型值)。 该电压控制振荡器采用低成本无铅QFN 4x4 mm表面贴装封装。
具备的参数信息
频率:3.9 GHz to 4.45 GHz
电源电压-最小:2.75 V
电源电压-最大:3.25 V
调谐电压范围 (Vt):0 VDC to 10 VDC
功率 (dBm):5 dBm
电流额定值:39 mA
相位噪声类型:- 106 dBc/Hz
推动:16 MHz/V
系列:HMC391
商标:Analog Devices
单位重量:227 mg
因此常被应用于VSAT和微波无线电、无线电测高、测试设备和工业控制、军事等应用领域中。
上述就是关于HMC391LP4压控振荡器芯片的相关定义及参数信息,如有型号采购及选型需求,可直接联系兆亿微波电子元器件商城。
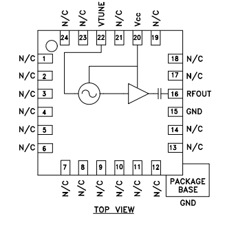
功能图
