THMC732LC4B是一款宽带GaAs InGaP HBT MMIC压控振荡器,集成谐振器、负电阻器件和变容二极管。这款宽带VCO独一无二地集超小尺寸、低相位噪声、低功耗和宽调谐范围等特性于一体。
由于该振荡器采用单芯片结构,因此在温度范围内具有出色的输出功率和相位噪声性能。 Vtune端口支持0至+23V的模拟调谐电压。 HMC732LC4B VCO采用+5V单电源供电,功耗仅为57 mA,提供符合RoHS标准的SMT封装。
它具备哪些特征呢?
宽调谐带宽
低SSB相位噪声:-95 dBc/Hz@100 kHz
无需外部谐振器
单正电源:+5V@57 mA
24芯陶瓷4x4毫米SMT封装:16mm²
因此,低噪声宽带MMIC VCO非常适合:工业/医疗设备、测试和测量设备、军用雷达、EW和ECM等领域中。
上述就是关于THMC732LC4B压控振荡器芯片的相关定义及特征,如有型号采购及选型需求,可直接联系兆亿微波电子元器件商城。
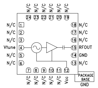
引脚配置图
