ADG1206多路复用器

定义
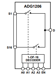
ADG1206 和 ADG1207 是单片式 iCMOS® 模拟多路复用器,分别包含十六路单端通道和八路差分通道。
ADG1206 根据 4 位二进制地址线 A0、A1、A2 和 A3 的状态,将十六个输入中的任意一个切换至公共输出端。
ADG1207 根据 3 位二进制地址线 A0、A1 和 A2 的状态,将八个差分输入中的任意一路切换至公共差分输出端。
两款器件均配备使能引脚(EN),用于启用或禁用整个芯片。当器件被禁用时,所有通道均处于关断状态;当启用时,每个通道在两个方向上均具有对称导通性能,且输入信号范围可扩展至电源轨(即“轨到轨”)。
iCMOS 模块化制造工艺融合了高压互补金属氧化物半导体(CMOS)与双极型晶体管技术,使其能够在其他任何一代高压器件无法实现的紧凑封装内,开发出工作电压高达 33 V 的高性能模拟 IC。与传统 CMOS 工艺不同,采用 iCMOS 技术的模拟器件可耐受高电源电压,同时提供更高性能、显著降低功耗并减小封装尺寸。
特性
在整个信号范围内<1 pC电荷注入
1.5 pF截止电容
33V供电范围
120Ω导通电阻
完全规定为±15 V/+12 V
3 V逻辑兼容输入
铁路到铁路运营
切换动作前先中断
28导联TSSOP和32导联5mm×5mm LFCSP
应用
音频和视频路由
自动测试设备
数据采集系统
电池供电系统
取样和保持系统
通信系统
功能框图
