AD4111产品介绍

定义
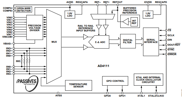
AD4111 是一款低功耗、低噪声的 24 位 Σ-Δ(sigma-delta)型模数转换器(ADC),集成了模拟前端(AFE),支持全差分或单端输入模式,可接受高阻抗(≥1 MΩ)双极性 ±10 V 电压输入,以及 0 mA 至 20 mA 电流输入。
AD4111 还集成关键的模拟与数字信号调理模块,可为每个正在使用的模拟输入通道配置八种独立的工作设置。该器件最大通道扫描速率为 6.21 kSPS(即每通道 161 μs),适用于完全稳定数据采集场景。
其内置 2.5 V、低温漂(5 ppm/°C)、带隙基准电压源(含输出参考缓冲器),有效减少外部元件数量。
数字滤波器提供灵活配置选项,包括在 27.27 SPS 输出数据速率下同时抑制 50 Hz 和 60 Hz 工频干扰。用户可根据各通道的实际应用需求选择不同的滤波器设置。自动通道序列器使 ADC 能够在所有启用通道间自动切换。
AD4111 的高精度性能得益于 Analog Devices, Inc. 专有的 iPassives™ 技术集成。出厂前已进行校准,以实现高度指定的测量精度。
AD4111 具备独特功能:可在仅使用单一 5 V 或 3.3 V 电源供电的情况下,对电压输入执行“开路检测”,用于系统级诊断。
AD4111 采用单电源工作,便于在电气隔离应用中部署。其规定工作温度范围为 –40°C 至 +105°C,封装形式为 40 引脚、6 mm × 6 mm LFCSP 封装。
特性
robustness 测试依据:符合 IEC6100-4-2、IEC6100-4-3、IEC6100-4-4、IEC6100-4-5、IEC6100-4-6 及 CISPR 11 标准
24 位 ADC,集成模拟前端(AFE)
快速灵活的输出数据速率:1.25 SPS 至 31.25 kSPS
通道扫描速率:每通道最高 6.21 kSPS(建立时间 161 μs)
每通道在 1 kSPS 下提供 16 位无噪声分辨率
每通道在 20 SPS 时对 50 Hz 和 60 Hz 工频干扰抑制达 85 dB
±10 V 电压输入支持:4 路差分或 8 路单端配置
引脚绝对最大额定值:±50 V
绝对输入引脚电压可达 ±20 V
输入阻抗 ≥1 MΩ
25°C 时精度 ±0.06%
支持开路检测功能
0 mA 至 20 mA 电流输入支持:4 路单端配置
引脚绝对最大额定值:±50 mA
输入范围:–0.5 mA 至 +24 mA
输入阻抗 60 Ω
25°C 时精度 ±0.08%
片内 2.5 V 基准电压源
25°C 时精度 ±0.12%,典型温漂 ±5 ppm/°C
支持内部或外部时钟源
电源供电要求:
AVDD = 3.0 V 至 5.5 V
IOVDD = 2 V 至 5.5 V
总功耗 IDD = 3.9 mA
工作温度范围:–40°C 至 +105°C
数字接口:支持 3 线或 4 线串行数字接口(SCLK 引脚带施密特触发器)
兼容 SPI、QSPI、MICROWIRE 及 DSP 接口协议
应用
过程控制
PLC和DCS模块
仪表和测量
功能框图
