AD74412R产品介绍

定义
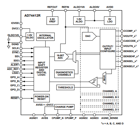
AD74412R 是一款四通道软件可配置输入/输出解决方案,专为楼宇自动化与过程控制应用设计。该器件将模拟输出、模拟输入、数字输入及电阻温度检测器(RTD)测量功能集成于单芯片中,并提供兼容串行外设接口(SPI)的通信接口。
该器件内置一个 16 位 Σ-Δ 型模数转换器(ADC),以及四个可配置的 13 位数模转换器(DAC),从而支持四个可灵活配置的输入/输出通道,并具备一套完整的诊断功能。
AD74412R 支持多种工作模式,包括:电压输出、电流输出、电压输入、外部供电电流输入、环路供电电流输入、外部 RTD 测量、数字输入逻辑,以及环路供电数字输入。
此外,AD74412R 电子元件内部集成高精度 2.5 V 基准电压源,用于驱动 DAC 和 ADC,确保系统整体精度与稳定性。
特性
• 四通道软件可配置输入/输出电路
• 具有抗 ±40 V 保护能力的螺纹端子
• 阻止电力从螺纹端子流向电源的线路保护装置
• 六种可配置模式
• 电压输入
• 电流输入
• 电压输出
• 电流输出
• 数字输入
• RTD 测量
应用
楼宇控制系统
过程控制
工业自动化
功能框图

配套产品
外部参考:ADR4525
电源:ADP1720