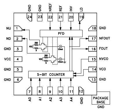
HMC4069LP4E是一款整数N分频频率合成器,将10至1300MHz的数字鉴频鉴相器与10至2900MHz5位频率计数器组合在一起。它适合低相位噪声频率合成器应用。
该电子元器件将高工作频率和超低相位噪底结合在一起,能够提供具有很宽环路带宽的合成器和低分频数,从而实现快速开关和极低相位噪声。与差分环路放大器结合使用时,HMC4069LP4E可以生成输出电压,用于锁相VCO为参考振荡器。

该器件采用24引脚、4x4mm无引脚QFN表面贴装封装,带有裸露接地焊盘以改善RF和散热性能。
应用
点对点无线电
卫星通信系统
军事应用
Sonet时钟生成