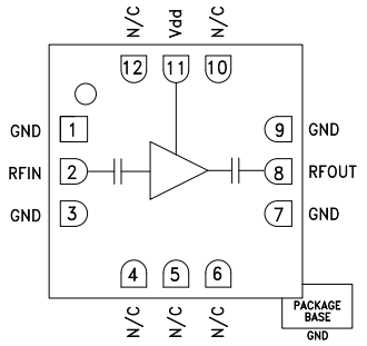
HMC441LC3B是一款高效GaAs PHEMT MMIC中等功率放大器,采用符合RoHS标准的无铅SMT封装。

该电子元器件具有6至18 GHz的工作范围,提供14 dB增益、+21.5 dBm饱和功率和27% PAE(+5V电源)。 50 Ω匹配放大器无需任何外部元件并采用单正电源工作,非常适合用作线性增益模块或HMC SMT混频器驱动器。 HMC441LC3B与高容量表贴制造技术兼容,且I/O经过隔直以进一步便于集成。
应用
点对点无线电
点对多点无线电和VSAT
HMC混频器LO驱动器
军用EW和ECM