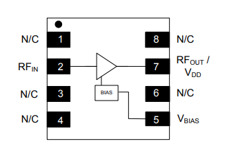
MAAL-011078低噪声放大器提供超低噪声系数和单级高增益。LNA覆盖700MHz和6GHz之间的宽带宽,具有良好的噪声系数、OIP3和增益。通过实现简单的外部匹配网络,可以在窄带上优化回波损耗。集成有源偏置电路允许直接连接到3V或5V电压源,并最大限度地减少随温度和工艺的变化。偏置电路电压源(VBIAS)可以用作使能引脚,以在操作期间向上或向下给设备供电。

特性
低噪声系数:0.35 dB@1.9 GHz
高增益:15 dB@6.0 GHz
高增益:22 dB@2.6 GHz
低噪声系数:0.50 dB@2.6 GHz
电流可调30-80 mA
集成有源偏置电路
单电压偏置:3-5 V
高线性度:33 dBm OIP3