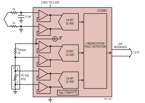
LTC2983 测量各种温度传感器并数字输出结果(以 °C 或 °F 为单位),并且具有 0.1°C 精度和 0.001° C 分辨率。除此之外,还能够测量几乎所有标准(B、E、J、K、N、S、R、T 型)或自定义热电偶的温度,自动补偿冷端温度并实现结果线性化。该器件还可以使用标准的 2,3 或 4 线式 RTD、热敏电阻和二极管来测量温度。它具有 20 个可重新配置的模拟输入,支持许多传感器连接和配置选项。LTC2983 包括适用于每种温度传感器的激励电流源和故障检测电路。

使用LTC2983 可直接与接地参考传感器接口,无需电平转换器、负电源电压或外部放大器。所有信号通过由内部 10ppm/°C(最大值)基准电压源驱动的三个高精度、24 位 ΔΣ ADC 进行缓冲和同步数字化。
特性
对 RTD、热电偶、热敏电阻和二极管直接进行数字化
2.85V 至 5.25V 单电源供电
以 ºC 或 ºF 为单位报告结果
20 个灵活的输入支持传感器互换
自动热电偶冷结补偿
用于热电偶、RTD 和热敏电阻的内置标准和用户可编程系数
可配置的2、3 或 4 线式RTD配置