AD8250是一款具有数字式可编程增益的仪表放大器,拥有GΩ级输入阻抗、低输出噪声和低失真等特性,因此适合用来与传感器接口及驱动高采样速率模数转换器(ADC)。
并且AD8250能够保证的失调漂移和增益漂移分别为1.7 µV/°C和10 ppm/°C(G = 10)。除了输入共模电压范围很宽之外,还拥有80 dB的高共模抑制能力(G = 1,直流至50 kHz)。精密直流性能与高速能力的结合则使AD8250成为数据采集应用的选择。

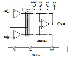
此外,AD8250这款单芯片解决方案简化了设计与制造,并可通过内部电阻与放大器的严格匹配来提高仪器仪表的性能。 AD8250用户接口包含一个并行端口,用户可以采用以下两种方式设置增益。一种方式是用/WR输入锁存通过总线发送的2比特字。另一种方式是用透明增益模式,在这一模式下,由增益端口处的逻辑电平状态决定增益。
但是,需要注意的是,AD8250的额定温度范围为−40°C至+85°C,特别适合对尺寸和封装密度有严格要求的应用。
特性
小型封装:10引脚MSOP
可编程增益:1、2、5、10
增益设置:数字式或引脚可编程
宽电源电压范围:±5 V至±15 V
出色的直流性能