HMC659LC5是一款GaAs MMIC PHEMT分布式功率放大器,其采用了符合RoHS标准的5x5 mm无引脚陶瓷表贴封装,需要在DC到15 GHz的频率范围内工作。该放大器提供19 dB增益、+35 dBm输出IP3和+27.5 dBm输出功率(1 dB增益压缩),功耗为300mA(采用+8V电源)。
HMC659LC5在DC - 15 GHz范围内提供±0.7 dB的出色增益平坦度,因而非常适合EW、ECM、雷达和测试设备应用。并且,HMC659LC5放大器I/O内部匹配50 Ω,无需外部元件。HMC659LC5与高容量表贴制造技术兼容。

特性
P1dB输出功率:+27.5 dBm
增益:19 dB
输出IP3:+35 dBm
电源电压:+8V(300 mA时)
50 Ω匹配输入/输出
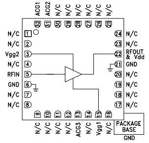
32引脚陶瓷5x5mm
SMT封装:25mm²