HMC698LP5(E)是一款频率合成器,集成宽带极性可反转数字PFD和锁定检测输出。 该分频器的无条件工作范围为80 - 7000 MHz,连续整数分频比为12至259。由于高工作频率以及超低相位噪底性能,HMC698LP5(E)这款频率合成器具有宽环路带宽和低N特性,从而实现快速建立时间和极低相位噪声。 与差分环路滤波器结合使用时,HMC698LP5(E)可用来将VCO相位锁定至参考振荡器。
特性
• 超低SSB相位噪底:
-153 dBc/Hz(10 kHz偏移,100 MHz)
• 参考频率。
• 可编程分频器(N= 12 - 259)
工作频率高达7 GHz
• 集电极开路输出缓冲放大器,可与基于运算放大器的环路滤波器接口
• 带锁定检测输出的极性可反转PFD
• 32引脚5x5mm SMT封装: 25mm²
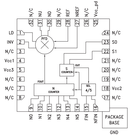
HMC698LP5E频率合成器的引脚图
