PE42742是一款SPDT UltraCMOS®开关电子元器件,专为有线电视、数字电视、多调谐器DVR、机顶盒、个人电脑电视和游戏机等宽带应用而设计。它符合FCC 15.115规范,在216 MHz时具有80 dB的隔离度,在有电和独特的无电默认状态下都能提供高隔离度和低插入损耗。PE42742采用单正电源和CMOS控制,覆盖了从5 MHz到2200 MHz以上的宽频范围。它为机顶盒应用中的机械继电器提供了一种更小、更具成本效益、更可靠和可制造的替代方案。

规格参数
开关配置:SPDT
最小频率:5 MHz
最大频率:2.2 GHz
介入损耗:1.8 dB
关闭隔离—典型值:53 dB
最小工作温度:- 40 C
最大工作温度:+ 85 C
安装风格:SMD/SMT
封装:Reel
封装:Cut Tape
封装:MouseReel
商标:pSemi
产品类型:RF Switch ICs
特性
•符合FCC 15.115规范,在216 MHz时隔离80 dB
•无电源运行状态
•3500 V HBM ESD容差,所有引脚
•CTB性能为90 dBc
•高隔离度:1000 MHz时为63 dB
•低插入损耗:通常在5 MHz时为0.5 dB,在1000 MHz时为0.8 dB
•带逻辑选择的CMOS单引脚控制
•单+3V电源操作
•低电流消耗:8μA
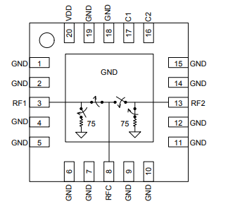
•封装:20引脚4×4mm QFN
引脚图
