BAT-15+是一种宽带、双向、吸收式固定衰减器,采用高度可靠和可重复的GaAs半导体工艺制造。该型号在直流至60 GHz范围内运行,实现了出色的衰减精度和平坦度,同时在整个频带内保持了出色的回波损耗。该型号可以处理高达1.4 W的输入功率,使其成为测试与测量、卫星通信、雷达、电子战、ECM防御系统、电信基础设施和5G等广泛应用的理想选择。

特性
宽带,直流至60 GHz
高功率处理,1.4 W
典型的出色回波损耗。20分贝
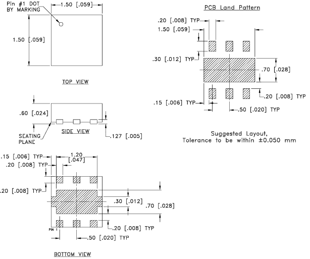
1.5x1.5 mm,6引线QFN型封装
应用
测试和测量设备
卫星通信
雷达、电子战和电子对抗防御系统
电信基础设施
5G低于6 GHz和毫米波
尺寸图

