ZMIQ-44H-K+是一种无源宽带同相/正交(I/Q)混频器,利用MCL自己的GaAs HBT器件SMIQ-1844H+。ZMIQ-44H-K+可用作传输应用的单边带上变频器或接收器应用的图像抑制混频器。ZMIQ-44H-K+非常适合需要固有抑制图像信号和杂散混频产物的宽带频率转换应用。混频器覆盖了18至40 GHz的RF和LO频率范围以及DC至7 GHz的IF频率范围的宽带。

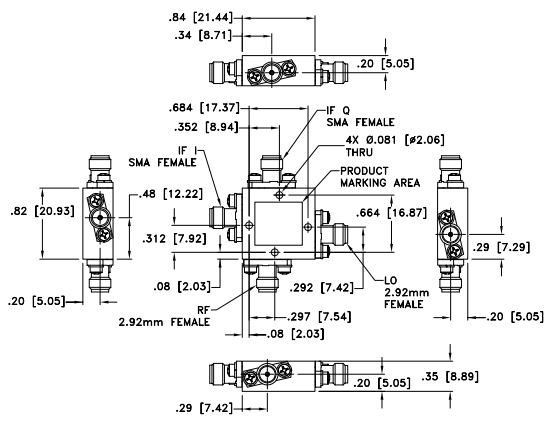
作为无源混频器,ZMIQ-44H-K+的噪声系数低于有源混频器,为高性能应用提供了卓越的动态范围。该混合器采用紧凑坚固的封装,具有2.92毫米和SMA同轴连接。
规格参数
射频:18 GHz to 40 GHz
转换损失——最大:14.5 dB
LO频率:18 GHz to 40 GHz
中频:7 GHz
最大工作温度:+ 85 C
最小工作温度:- 40 C
安装风格:Screw
商标:Mini-Circuits
封装:Tray
产品类型:RF Mixer
系列:ZMIQ
点击购买:ZMIQ-44H-K+
特性
宽带射频和本振,18至40 GHz
宽带中频,直流至7 GHz
出色的图像抑制,典型。29分贝
典型的高LO-RF隔离。42分贝
高输入IP3,典型+25 dBm
可用作图像拒绝混合器和SSB转换器
尺寸小,RF和LO端口有2.92mm连接器,IF-I和-Q端口有SMA
应用
测试和测量设备
5G毫米波和回程无线电
卫星通信
雷达、电子战和电子对抗防御系统
尺寸图
