BFHK-2162+LTCC带通滤波器利用专有的LTCC材料系统和分布式滤波器拓扑结构,实现了微型尺寸和高度可重复的性能。19.4和23.8 GHz之间的通带损耗通常为2.6 dB,典型的阻带抑制在10.3 GHz之前为75 dB,在40 GHz之前为70 dB。该型号可处理高达1W的射频输入功率,工作温度范围从-55C到+125℃。

规格参数
产品:Bandpass Filters
频率:23.8 GHz
频率范围:19.4 GHz to 23.8 GHz
阻抗:50 Ohms
端接类型:SMD/SMT
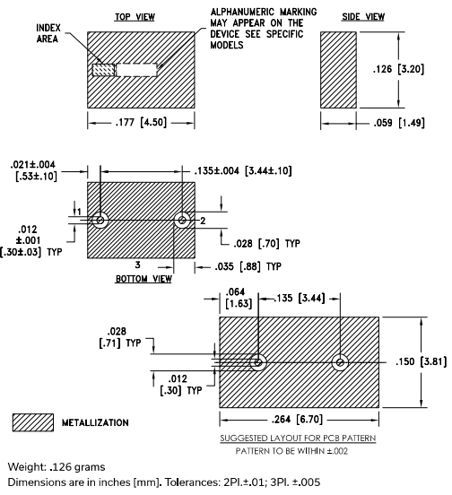
封装 / 箱体:1812 (4532 metric)
最小工作温度:- 55 C
最大工作温度:+ 125 C
商标:Mini-Circuits
介入损耗:100 dB
安装:Board Mount
点击购买:BFHK-2162+
特性
超高阻带抑制,典型。70分贝
标准小型1812(4.5毫米x 3.2毫米)表面安装封装
坚固的陶瓷结构
应用
测试和测量设备
卫星通信
航空航天和国防信号调节
尺寸图
