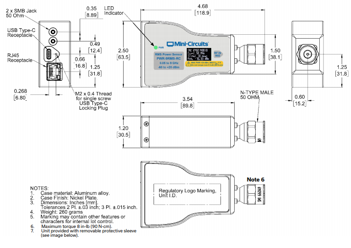
Mini-Circuits的PWR-9RMS-RC是一种高性能且经济高效的RMS功率传感器,用于测量各种测试应用中的平均功率水平。该传感器的工作频率为50至9000 MHz,检测高达+20 dBm的输入信号,一直低至-60 dBm。紧凑型包装包括一个可拆卸的橡胶外壳,用于保护和便携,N型RF输入连接器,集成屏幕,SMB触发器输入/输出选项和以太网/USB控制。

随附的Windows测量软件可引导用户完成功率传感器设置,显示当前测量值,并提供强大的数据记录和导出功能。还提供了适用于Windows的完整API,以及适用于Windows和Linux系统的编程说明和示例,以在一系列常见编程环境中设置自动功率测量。可通过以太网和USB进行完全控制,集成屏幕为操作员提供方便的本地读数,用于功率测量和按键设置。
规格参数
设备类型:Power Sensor
频率范围:50 MHz to 9 GHz
商标:Mini-Circuits
高度:30.5 mm
长度:118.9 mm
宽度:63.5 mm
封装:Bulk
产品类型:RF Test Equipment
系列:PWR
特性
动态范围为80 dB的RMS(平均)功率测量
测量宽带调制和多音信号
测量中等占空比(≥2%)的脉冲信号
集成显示器,可快速读取电源读数
以太网和USB控制
应用
5G FR1、WiFi 6E、蓝牙设备测试
C波段卫星通信、无线电和雷达测试
平均功率测量
ASK、FSK、OFDM、QAM、LTE调制
尺寸图
