Mini-Circuits的RCDAT-44G-30是一种精密可编程衰减器,覆盖从0.1到44 GHz的极宽带宽。其独特的设计允许衰减设置从0到31.5 dB进行编程,以0.5 dB为步长,每dB衰减变化单调,即使在最高频率和衰减设置下也是如此。

衰减器可以通过USB或以太网进行控制,允许直接从PC进行控制,也可以通过网络进行远程控制。提供完整的软件支持,包括我们针对Windows的用户友好GUI应用程序和针对Windows和Linux环境(32位和64位系统)的完整API编程说明。
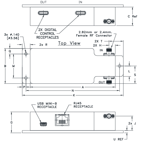
该模型还包括Mini-Circuits的新型动态寻址菊花链接口,该接口允许将多个RCDAT-44G-30衰减器连接在一起形成主从链,并通过主单元的单个USB或以太网连接独立控制每个衰减器通道。
特性
精度衰减高达44 GHz
精细分辨率,0.5dB
快速转换,100µs
USB和以太网控制
菊花链控制,最多可控制25个单元
应用
传输损耗模拟
5G网络基础设施
微波点对点链路
VHF/UHF/L/S/C/X/Ku/K频段测试
尺寸图

