BW-W10-0.5W114+同轴衰减器的特性应用及尺寸图
2025/3/5 13:12:24
浏览次数:
3
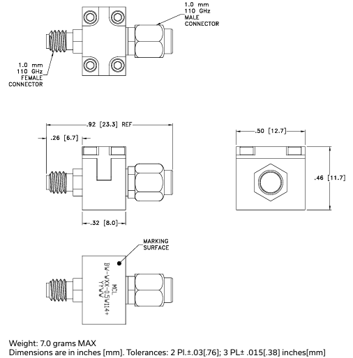
Mini-Circuits品牌的BW-W10-0.5W114+是一个精确固定的10 dB 0.5 W衰减器。BW-W10-0.5W114+在极宽的频率范围内工作,具有出色的VSWR,支持广泛的系统和测试应用。精确的性能、出色的VSWR和宽带使该模型成为需要在非常宽的频率范围内进行精确衰减的系统的理想解决方案。

特性
宽带,直流至110 GHz
1.0mm公母连接器
出色的VSWR,1.3典型值。
0.5 W功率处理
应用
光通信
测试和测量
高速数据系统
仪器
精密测量
尺寸图

在线留言询价
推荐阅读
-
点击次数:
0
2026-03-23
NCS1-23+是Mini-Circuits的一款射频变压器芯片。其特性及应用范围如下:特性:宽带,1300至2000 MHz低相位不平衡,2度和振幅不平衡,典型值为0.3 dB。微型尺寸,0.079英寸x0.049英寸x0.033英寸LTCC结构低成本可水洗应用范围:宽带码分多址PCS全球定位系统外形图:
-
点击次数:
0
2026-03-23
ADRF5020是一款通用型单刀双掷(SPDT)开关,采用硅工艺制造。它采用3 mm × 3 mm、20引脚基板栅格阵列(LGA)封装,在100 MHz至30 GHz频率范围内提供高隔离度和低插入损耗。其工作原理主要如下:工作原理ADRF5020电子元器件需要在VDD引脚施加正电源电压,在VSS引脚施加负电源电压。建议在电源线上使用旁路电容器以最小化射频耦合。ADRF5020在射频公共端口(RFC)和射频投掷端口(RF1和RF2)内部匹配到50 Ω;因此,不需要外部匹配组件。所有射频端口都直流耦合到0 V,当射频线电位等于0 V时,射频端口不需要直流阻断。该设计是双向的;射频输入信号可以应用于RFC端口,而射频投掷端口(RF1或RF2)作为输出,反之亦然。ADRF5020包含一个驱动器来执行内部逻辑功能,并为用户提供简化的控制接口优势。该驱动器具有两个数字控制输入引脚,CTRL和EN。当EN引脚为低电平时,RF1到RFC路径处于插入损耗状态,而RF2到RFC路径处于隔离状态,或者反之,取决于应用于CTRL引脚的逻辑电平。插入损耗路径(例如,RF1到RFC)在其投掷端口(例如,RF1)和公共端口(RFC)之间同样良好地传导射频信号。隔离路径(例如,RF2到RFC)在其插入损耗路径和其投掷端口(例如,RF2)之间提供高损耗,终止于内部50 Ω电阻器。当EN引脚为高电平时,无论CTRL的逻辑状态如何,RF1到RFC路径和RF2到RFC路径都处于隔离状态。RF1和RF2端口终止于内部50 Ω电阻器,RFC变为开路反射。理想的加电顺序如下:将EPAD和GND引脚连接到接地参考。给VDD和VSS供电。在给VDD供电后给VSS供电可以避免在上升过程中VDD上的电流瞬变。应用数字控制输入CTRL和EN。在VDD供电之前应用数字控制输入可能会无意中正向偏置并损坏内部ESD保护结构。...
-
点击次数:
2
2026-03-19
24MR-35M+同轴适配器定义Mini-Circuits 的 24MR-35M+ 是一款同轴适配器,一端为 2.4 mm 直角公头(Right-Angle Male),另一端为 3.5 mm 公头(Male),支持从直流(DC)至 33 GHz 的广泛应用。该型号在整个频率范围内提供优异的电压驻波比(VSWR)和低插入损耗。24MR-35M+ 采用钝化不锈钢结构制造,整体长度仅为 0.71 英寸(约 18.03 mm),紧凑耐用,适用于空间受限的高频系统。特性超宽带,直流至33GHz低插入损耗,典型值0.11 dB。出色的VSWR,1.11:1典型值。直角车身电气规格(在 +25°C 条件下)参数 频率 (GHz)最小值典型值最大值单位频率范围-DC-33GHz插入损耗0.01–33-0.11 0.44dB电压驻波比 (VSWR)0.01–33-1.111.35:1备注:规格测试最低频率为 0.01 GHz。案例风格图
-
点击次数:
4
2026-03-19
BAT-1+吸收式固定衰减器定义BAT-1+ 是一款宽带、双向、吸收式固定衰减器,采用高可靠性且可重复性优异的砷化镓(GaAs)半导体工艺制造。其工作频率范围从直流(DC)至 60 GHz,在整个频段内实现了出色的衰减精度与平坦度,同时保持卓越的回波损耗性能。该型号可承受高达 2 W 的输入功率,使其成为多种应用的理想选择,包括:测试与测量、卫星通信、雷达系统、电子战(EW)、电子对抗防御系统(ECM Defense Systems)、电信基础设施以及 5G 通信。特性宽频带:DC 至 60 GHz覆盖从基带到毫米波全频段,适用于各类射频系统设计。高功率处理能力:2 W支持中高功率应用场景,如发射链路调节或负载匹配。优异回波损耗:典型值 14 dB表明端口匹配良好,反射小,有助于提升系统稳定性与信号完整性。封装尺寸:1.5 × 1.5 mm,6 引脚 QFN 式封装小型化表面贴装封装,便于集成到高密度 PCB 布局中,适合自动化生产。应用测试与测量设备卫星通信系统雷达、电子战(EW)及电子对抗防御系统(ECM)电信基础设施5G sub-6 GHz 及毫米波(mmW)应用功能图(俯视图)
-
点击次数:
3
2026-03-19
BAT-4+吸收式固定衰减器定义BAT-4+ 是一款宽带、双向、吸收式固定衰减器,采用高可靠性且可重复性优异的砷化镓(GaAs)半导体工艺制造。其工作频率范围从直流(DC)至 60 GHz,在整个频段内实现了出色的衰减精度与平坦度,同时保持卓越的回波损耗性能。该型号可承受高达 2 W 的输入功率,使其成为多种应用的理想选择,包括:测试与测量、卫星通信、雷达系统、电子战(EW)、电子对抗防御系统(ECM Defense Systems)、电信基础设施以及 5G 通信。特性宽频带:DC 至 60 GHz覆盖从基带到毫米波全频段,适用于各类射频系统设计。高功率处理能力:2 W支持中高功率应用场景,如发射链路调节或负载匹配。优异回波损耗:典型值 15 dB表明端口匹配良好,反射小,有助于提升系统稳定性与信号完整性。封装尺寸:1.5 × 1.5 mm,6 引脚 QFN 式封装小型化表面贴装封装,便于集成到高密度 PCB 布局中,适合自动化生产。应用测试与测量设备卫星通信系统雷达、电子战(EW)及电子对抗防御系统(ECM)电信基础设施5G sub-6 GHz 及毫米波(mmW)应用功能图(俯视图)