PMA3-34GLN+低噪放大器的规格参数、特性应用及尺寸
2025/3/13 14:27:20
浏览次数:
4
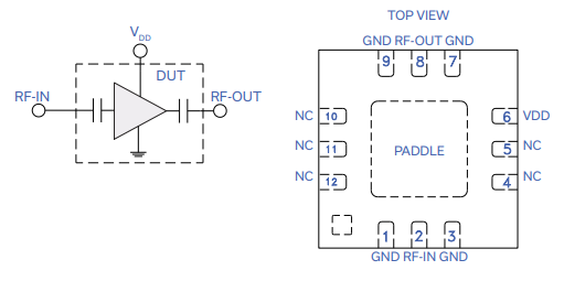
PMA3-34GLN+是一款基于PHEMT的宽带低噪声MMIC放大器,在非常宽的带宽内具有高增益和低噪声系数的独特组合,非常适合用作接收器应用的第一级驱动放大器。该设计在单个4V电源上运行,与50欧姆相匹配,采用微型塑料封装(3 x 3 x 0.89mm),可容纳密集的电路板布局。

规格参数
工作频率:10 GHz to 30 GHz
工作电源电压:4 V
增益:27.9 dB
NF—噪声系数:2.4 dB
安装风格:SMD/SMT
封装 / 箱体:MCLP-12
技术:Si
最小工作温度:- 40 C
最大工作温度:+ 85 C
系列:PMA
封装:Reel
封装:Cut Tape
商标:Mini-Circuits
输入返回损失:21 dB
通道数量:1 Channel
Pd-功率耗散:650 mW
特性
宽带,10至30 GHz
可低至9 GHz
高增益,典型值25.5 dB。20 GHz
低NF,典型值1.6 dB。20 GHz
P1dB,典型值+10 dBm。20 GHz
OIP3,典型值+22 dBm。20 GHz
内置偏置三通和直流块
应用
5G
固定卫星
手机
尺寸图


在线留言询价
推荐阅读
-
点击次数:
2
2026-03-19
24MR-35M+同轴适配器定义Mini-Circuits 的 24MR-35M+ 是一款同轴适配器,一端为 2.4 mm 直角公头(Right-Angle Male),另一端为 3.5 mm 公头(Male),支持从直流(DC)至 33 GHz 的广泛应用。该型号在整个频率范围内提供优异的电压驻波比(VSWR)和低插入损耗。24MR-35M+ 采用钝化不锈钢结构制造,整体长度仅为 0.71 英寸(约 18.03 mm),紧凑耐用,适用于空间受限的高频系统。特性超宽带,直流至33GHz低插入损耗,典型值0.11 dB。出色的VSWR,1.11:1典型值。直角车身电气规格(在 +25°C 条件下)参数 频率 (GHz)最小值典型值最大值单位频率范围-DC-33GHz插入损耗0.01–33-0.11 0.44dB电压驻波比 (VSWR)0.01–33-1.111.35:1备注:规格测试最低频率为 0.01 GHz。案例风格图
-
点击次数:
4
2026-03-19
BAT-1+吸收式固定衰减器定义BAT-1+ 是一款宽带、双向、吸收式固定衰减器,采用高可靠性且可重复性优异的砷化镓(GaAs)半导体工艺制造。其工作频率范围从直流(DC)至 60 GHz,在整个频段内实现了出色的衰减精度与平坦度,同时保持卓越的回波损耗性能。该型号可承受高达 2 W 的输入功率,使其成为多种应用的理想选择,包括:测试与测量、卫星通信、雷达系统、电子战(EW)、电子对抗防御系统(ECM Defense Systems)、电信基础设施以及 5G 通信。特性宽频带:DC 至 60 GHz覆盖从基带到毫米波全频段,适用于各类射频系统设计。高功率处理能力:2 W支持中高功率应用场景,如发射链路调节或负载匹配。优异回波损耗:典型值 14 dB表明端口匹配良好,反射小,有助于提升系统稳定性与信号完整性。封装尺寸:1.5 × 1.5 mm,6 引脚 QFN 式封装小型化表面贴装封装,便于集成到高密度 PCB 布局中,适合自动化生产。应用测试与测量设备卫星通信系统雷达、电子战(EW)及电子对抗防御系统(ECM)电信基础设施5G sub-6 GHz 及毫米波(mmW)应用功能图(俯视图)
-
点击次数:
3
2026-03-19
BAT-4+吸收式固定衰减器定义BAT-4+ 是一款宽带、双向、吸收式固定衰减器,采用高可靠性且可重复性优异的砷化镓(GaAs)半导体工艺制造。其工作频率范围从直流(DC)至 60 GHz,在整个频段内实现了出色的衰减精度与平坦度,同时保持卓越的回波损耗性能。该型号可承受高达 2 W 的输入功率,使其成为多种应用的理想选择,包括:测试与测量、卫星通信、雷达系统、电子战(EW)、电子对抗防御系统(ECM Defense Systems)、电信基础设施以及 5G 通信。特性宽频带:DC 至 60 GHz覆盖从基带到毫米波全频段,适用于各类射频系统设计。高功率处理能力:2 W支持中高功率应用场景,如发射链路调节或负载匹配。优异回波损耗:典型值 15 dB表明端口匹配良好,反射小,有助于提升系统稳定性与信号完整性。封装尺寸:1.5 × 1.5 mm,6 引脚 QFN 式封装小型化表面贴装封装,便于集成到高密度 PCB 布局中,适合自动化生产。应用测试与测量设备卫星通信系统雷达、电子战(EW)及电子对抗防御系统(ECM)电信基础设施5G sub-6 GHz 及毫米波(mmW)应用功能图(俯视图)
-
点击次数:
1
2026-03-19
BAT-20+固定衰减器定义BAT-20+ 是一款宽带、双向、吸收式固定衰减器,采用高可靠性且可重复性优异的砷化镓(GaAs)半导体工艺制造。其工作频率范围从直流(DC)至 60 GHz,在整个频段内实现了出色的衰减精度与平坦度,同时保持卓越的回波损耗性能。该型号可承受高达 1.6 W 的输入功率,使其成为多种应用的理想选择,包括:测试与测量、卫星通信、雷达系统、电子战(EW)、电子对抗防御系统(ECM Defense Systems)、电信基础设施以及 5G 通信。特性宽带,直流至60 GHz高功率处理,1.6 W出色的回波损耗,典型。18分贝1.5x1.5 mm,6引线QFN型封装应用测试和测量设备卫星通信雷达、电子战和电子对抗防御系统电信基础设施5G低于6 GHz和毫米波功能图(俯视图)
-
点击次数:
2
2026-03-19
BFHKI-2162+陶瓷带通滤波器定义BFHKI-2162+ 是一款微型低温共烧陶瓷(LTCC)超高中频抑制带通滤波器,其通带范围为 19.4 GHz 至 23.8 GHz,可支持多种应用。该型号在 10.3 GHz 以下实现高达 72 dB 的阻带抑制,在 40 GHz 以下实现 49 dB 的阻带抑制。该滤波器采用小巧的 4.95 mm × 3.65 mm 陶瓷封装形式,非常适合高密度信号链 PCB 布局,能够与 MMIC 尺寸和性能完美匹配。BFHKI 系列内置集成式中介层焊盘,便于通过自动化制造设备安装到 PCB 上。得益于其坚固的单片结构,该模型在整个宽频带内提供典型的 2.8 dB 插入损耗。LTCC 制造工艺确保了射频性能的极小波动,同时交付的产品能胜任高湿度与极端温度等严苛环境条件。该型号可承受最高 1 W 的射频输入功率,并拥有宽广的工作温度范围:-55°C 至 +125°C。特性带集成插入板的LTCC带通滤波器超高阻带抑制,典型。49分贝小尺寸,4.95x3.65毫米坚固的陶瓷结构应用测试和测量设备卫星通信航空航天和国防信号调节功能图+25°C时的典型频率响应