Qorvo TGA2524-SM是一款Ku波段GaAs功率放大器。TGA2524-SM的工作频率为11.3-16 GHz,采用Qorvo的功率pHEMT生产工艺设计。TGA2524-SM的典型增益为23dB,可以提供26.5 dBm的饱和输出功率和P1dB的26dBm。它是一个高线性部分,在每个音调输出8dBm时,输出TOI为37dBm。

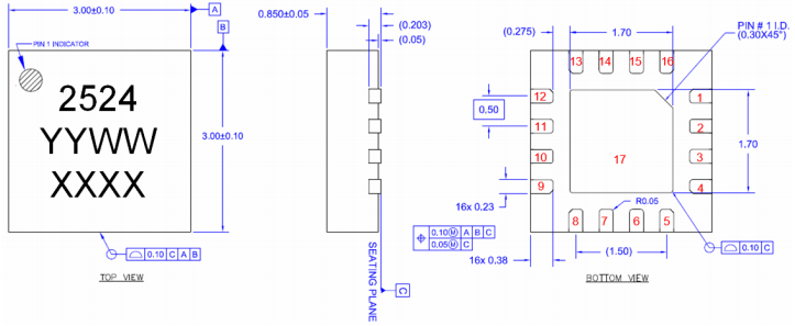
TGA2524-SM采用低成本、表面贴装16引脚3x3 QFN包覆成型封装,非常适合点对点无线电应用。
规格参数
工作频率:11.3 GHz to 16 GHz
工作电源电压:5 V
增益:23 dB
NF—噪声系数:7 dB
类型:Driver Amplifiers
安装风格:SMD/SMT
封装 / 箱体:QFN-16
技术:GaAs
P1dB - 压缩点:26 dBm
OIP3 - 三阶截点:37 dBm
最小工作温度:- 40 C
最大工作温度:+ 150 C
系列:TGA2524
封装:Reel
封装:Cut Tape
单位重量:57.100 mg
特性
•频率范围:11.3-16 GHz
•峰值:26.5 dBm
•P1dB:26 dBm
•增益:23dB,具有良好的调节增益平坦度
•OTOI:37 dBm,8 dBm磅/音
•噪声系数:7 dB
•偏压:Vd=5 V,Idq=320 mA,Vg=-0.52 V典型值
•包装尺寸:3.0 x 3.0 x 0.85毫米
应用
•点对点无线电
•Ku波段卫星通信
引脚配置

