5P49V6965是IDT VersaClock®6E可编程时钟发生器系列的成员。5P49V6965适用于高性能消费、网络、工业、计算和数据通信应用。参考时钟可以来自两个冗余时钟输入之一。无故障手动切换功能允许在正常运行期间选择冗余时钟之一。

特性
•<100mW核心功率(3.3V)
•<0.5ps RMS相位抖动(典型)
•PCIe Gen 1/2/3/4/5扩频关闭
•PCIe Gen 1/2/3/4扩频
•1/10GbE,USB 3.0
•支持晶体(8MHz–40MHz)和外部时钟输入(1MHz–350MHz)
•4个通用输出对:LVPECL、LVDS、HCSL或8个LVCMOS输出
•4个独立频率,输出范围为0.001MHz–350MHz
•参考输出
•1.8V/2.5V/3.3V核心和输出电压
•2个可编程I²C地址,允许在同一系统中使用多个设备。
•OTP非易失性存储器中最多4种不同的配置集
•由IDT Timing Commander™软件工具支持
•在线表单提交支持快速采样和定制流程
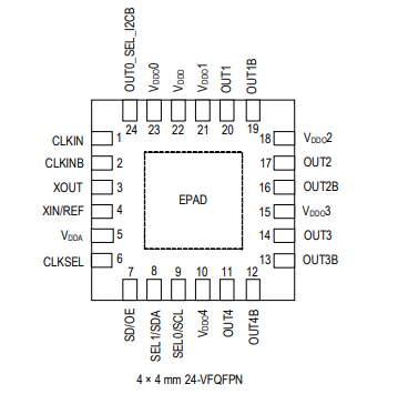
•4 x 4 mm 24-VQFPN封装
•-40°C至+85°C的工作温度范围
应用
•AI加速卡电源定时系统
•AI视频和语音识别解决方案
RZ/G2M多显示器人机界面SoM解决方案
Xilinx Artix-7(大电流)电源和时间
Xilinx Artix-7(小电流)电源和时间
Xilinx Kintex-7电源和时间
•Xilinx Zynq-7000电源和时效钢
• 手持式超声扫描仪
• 数字示波器中的时钟需求
• 适用于安全系统的语音/面部识别解决方案
• 适用于高端音视频应用的计时解决方案
•高性能HMI系统
引脚配置
