AD3PS-1+是Mini-Circuits的一款合路器,其工作频率最小1MHz,最大300MHz,最大1.5dB插入损耗,符合ROHS标准,外壳CJ725,8针。

规格参数
产品:Power Dividers / Splitters
频率:1 MHz to 300 MHz
阻抗:50 Ohms
端接类型:SMD/SMT
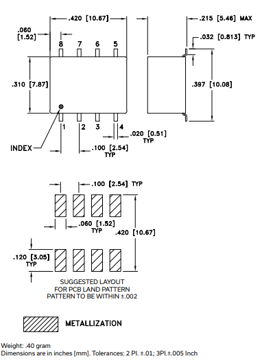
封装 / 箱体:10.08 mm x 7.87 mm x 5.46 mm
最小工作温度:- 40 C
最大工作温度:+ 85 C
系列:AD3PS
封装:Reel
封装:Cut Tape
商标:Mini-Circuits
介入损耗:0.8 dB
安装:Board Mount
特性
宽带,1至300 MHz
高隔离,典型值35dB。
输入端口匹配VSWR良好,典型值为1.12。
输出端口匹配VSWR良好,典型值为1.14。
尺寸小
应用
甚高频电视
飞机通信
尺寸图

