嗨,欢迎来到兆亿微波官方商城!
服务热线: 010-62975458  17600099251
购物车图片 购物车 ( )
全部商品分类

ZHL-2010+宽带放大器的概述及特性分析

2025/4/10 13:44:22
浏览次数: 4

ZHL-2010+是Mini-Circuits的一款宽带中功率放大器,其工作频率最小50MHz,最大1000MHz,符合ROHS标准,外壳S32。

ZHL-2010+宽带放大器的概述及特性分析

规格参数

系列:ZHL

封装:Bulk

商标:Mini-Circuits

产品类型:RF Amplifier

特性

宽带,50至1000 MHz

低噪音,典型值为3.7 dB

高IP3,典型值+46 dBm

非常高的IP2,典型值为+68-+83 dBm

应用

VHF/UHF

蜂窝

测试设备

仪器

实验室

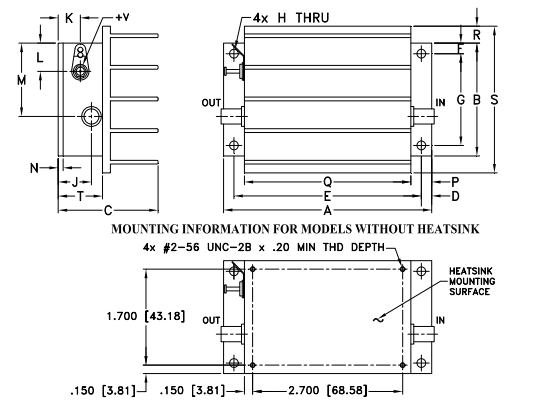
尺寸图

ZHL-2010+宽带放大器的概述及特性分析

ZHL-2010+宽带放大器的概述及特性分析

在线留言询价
推荐阅读
  • 点击次数: 1
    2025-12-17
    ZVS 隔离型转换器模块系列为高密度隔离式 DC-DC 转换器,采用零电压开关(ZVS)拓扑结构。28V 输入系列支持 16V 至 50V 的宽输入电压范围,提供 50W 输出功率,功率密度高达 334W/in³。这些转换器模块支持表面贴装,尺寸仅为 0.5 英寸见方,相比传统方案可节省约 50% 的 PCB 面积。模块开关频率高达 900kHz,允许使用更小的输入和输出滤波元件,从而进一步减小系统整体尺寸和成本。输出电压通过高性能隔离磁反馈方案采样并反馈至内部控制器,具备高带宽和良好的共模噪声抑制能力。PI31xx-00-HVMZ 系列无需外部反馈补偿,仅需极少外部元件即可构成完整解决方案。功能丰富,包括输出电压微调、输出过压保护、可调软启动、自动重启型过流保护、输入欠压/过压锁定,以及温度监控与保护功能(提供与芯片温度成比例的模拟电压,并支持关断与报警)。特性与优势效率高达 88%高开关频率降低输入滤波需求,减少输出电容专有“双钳位”ZVS 升降压拓扑专有隔离磁反馈技术小封装尺寸(0.57 in²),节省 PCB 面积超低厚度(0.265 英寸)宽输入电压范围:16–50V支持开关控制(正逻辑)宽范围输出电压微调:+10% / –20%(多数型号)温度监控(TM)与过温保护(OTP)输入欠压锁定(UVLO)、过压锁定(OVLO)与输出过压保护(OVP)自动重启型过流保护可调软启动输入/输出之间隔离电压达 2250V
  • 点击次数: 1
    2025-12-17
    使用 S 控制寄存器组进行 S 引脚脉冲控制LTC6811 的 S 引脚可用作简单的串行接口,特别适用于控制 Linear Technology 的 LT8584——一款专为大型电池组主动均衡设计的单片反激式 DC/DC 转换器。LT8584 具有多种工作模式,这些模式通过串行接口进行控制。LTC6811 可通过在每个 S 引脚上发送特定脉冲序列,与 LT8584 通信并选择其工作模式。S 控制寄存器组用于设定 12 个 S 引脚的行为,每个 4 位(nibble)定义一个 S 引脚应输出高电平、低电平,或发送 1 至 7 个脉冲的序列。表 24 列出了可发送至 LT8584 的 S 引脚行为选项。S 引脚脉冲以 6.44kHz 的频率输出(周期为 155μs),脉冲宽度为 77.6μs。脉冲序列在发送 STSCTRL 命令后启动,前提是命令的 PEC(包错误校验)正确匹配。主机可继续提供 SCK 时钟,以轮询脉冲执行状态。该轮询机制与 ADC 轮询功能类似:在脉冲序列完成前,数据输出将保持逻辑低电平。在 S 引脚脉冲执行期间,新的 STSCTRL 或 WRSCTRL 命令将被忽略。可使用 PLADC 命令来判断 S 引脚脉冲是否已完成。若 WRSCTRL 命令及其 PEC 正确接收,但数据 PEC 不匹配,则 S 控制寄存器组将被清零。如果配置寄存器组中的某个 DCC 位被置位,LTC6811 将强制将对应的 S 引脚拉低,无论 S 控制寄存器组的设置如何。因此,在使用 S 控制寄存器组时,主机应将 DCC 位保持为 0。CLRSCTRL 命令可用于快速将 S 控制寄存器组清零(全部置为 0),并强制脉冲控制逻辑释放对 S 引脚的控制。该命令在汽车应用中可用于缩短诊断控制循环时间。
  • 点击次数: 2
    2025-12-17
    C2000™ 32 位微控制器针对处理、感应和驱动进行了优化,可提高实时控制应用(如工业电机驱动器、光伏逆变器和数字电源、电动汽车和运输、电机控制以及感应和信号处理)的闭环性能。C2000 系列包括高级性能 MCU 和入门级性能 MCU。F2803x 系列微控制器将 C28x 内核和控制律加速器 (CLA) 的性能与高度集成的控制外设整合到低引脚数的器件中。该系列器件的代码与基于 C28x 的旧版代码兼容,同时具有较高的模拟集成度。一个内部稳压器实现了单电源轨运行。HRPWM 模块经过强化,可实现双边沿控制(调频)。增设了具有 10 位内部基准的模拟比较器,可直接进行路由以控制 PWM 输出。ADC 可在 0V 至 3.3V 的固定满量程范围内实施转换,支持 VREFHI/VREFLO 基准的比例运算。ADC 接口已针对低开销和延迟进行了优化。应用• 空调室外机• 电梯门自动启闭装置驱动控制• 直流/直流转换器• 逆变器和电机控制• 车载充电器 (OBC) 和无线充电器• 自动分拣设备• 纺织机• 焊接机• 交流充电(桩)站• 直流充电(桩)站• 电动汽车充电站电源模块• 车辆无线充电模块• 能量存储电源转换系统 (PCS)• 微型逆变器• 太阳能电源优化器• 串式逆变器• 交流驱动器控制模块• 线性电机分段控制器• 伺服驱动器功率级模块• 交流输入 BLDC 电机驱动器• 直流输入 BLDC 电机驱动器• 工业交流-直流• 三相 UPS• 商用网络和服务器 PSU• 商用通信电源整流器
  • 点击次数: 1
    2025-12-17
    安全注意事项LTM4643 模块未提供从输入(Vin)到输出(Vout)的电气隔离(即无 galvanic isolation)。模块内部未集成保险丝。如有必要,应在外部为每个模块配置一个慢断型保险丝,其额定电流应为最大输入电流的两倍,以防止模块在发生灾难性故障时受损。该器件支持热关断和过流保护功能。布局检查清单 / 示例尽管 LTM4643 具备高度集成性,使 PCB 布局变得简单,但为优化其电气性能与热性能,仍需注意以下布局建议:在 PCB 上使用大面积铜箔覆盖高电流路径,包括 ViN1 至 ViN4、GND、VouT1 至 VouT4。这有助于降低 PCB 导通损耗并减少热应力。将高频陶瓷输入与输出电容尽可能靠近 ViN、GND 和 VouT 引脚放置,以最小化高频噪声。在模块下方设置专用的电源接地层(power ground layer)。为降低过孔的导通损耗并减少模块热应力,应使用多个过孔连接顶层与其他电源层。请勿在焊盘上直接放置过孔,除非这些过孔已被填充(capped)或覆盖电镀(plated over)。为连接到信号引脚的元件设置独立的信号地(SGND)铜区,并在模块下方将 SGND 与 GND 连接。若多个模块并联使用,应将 Vout、VFB 和 COMP 引脚连接在一起。建议使用内层将这些引脚紧密连接。TRACK/SS 引脚可连接至一个公共电容,用于实现稳压器的软启动。在信号引脚处引出测试点,便于监测。下图是推荐的一种布局式示例,仅供参考。
  • 点击次数: 1
    2025-12-17
    LTM4643 是一款四路输出的独立非隔离型开关模式 DC/DC 电源模块,封装尺寸为 9mm × 15mm × 1.82mm,超轻薄设计。该模块具备四个独立的稳压通道,每个通道在仅需少量外部输入输出电容的情况下,可持续输出高达 3A 的电流。每个稳压器可在 4V 至 20V 的输入电压范围内,通过单个外部电阻将输出电压精确设定在 0.6V 至 3.3V 之间。若使用外部偏置电压,该模块最低可在 2.375V 的输入电压下工作。LTM4643 集成了四个独立的恒定频率控制、导通时间谷值电流模式稳压器、功率 MOSFET、电感器及其他支持性分立元件。典型开关频率设定为 1.2MHz。对于对开关噪声敏感的应用,该 μModule 稳压器可通过外部时钟信号在 850kHz 至 1.5MHz 范围内实现同步。采用电流模式控制与内部反馈环路补偿,使 LTM4643 模块在宽范围的输出电容条件下(即使全部使用陶瓷电容)仍具备良好的稳定性裕度与瞬态响应性能。电流模式控制还提供了将任意独立稳压通道并联的灵活性,并可实现精确的电流共享。通过内置的通道间时钟交错功能,LTM4643 可轻松配置为 2+2、3+1 或四通道并联运行,为多轨 POL(负载点)应用提供更高的设计灵活性。此外,LTM4643 提供 CLKIN 与 CLKOUT 引脚,用于频率同步或多相并联多个器件,最多支持 8 相级联同步运行。电流模式控制还支持逐周期的快速电流监测。在过流条件下,模块提供折返式限流保护,当 VeB 电压下降时,将电感谷值电流限制为原始值的约 40%。内部过压与欠压比较器将在输出反馈电压偏离稳压点 ±10% 范围时,将开漏输出的 PGOOD 引脚拉低。在过压(OV)与欠压(UV)条件下,模块强制进入连续导通模式(CCM),但在启动阶段,当 TRACK 引脚电压上升至 0.6...
热门分类
关于我们

───  公众号二维码  ───

兆亿微波商城微信公众号

兆亿微波商城www.rfz1.com是一个家一站式电子元器件采购平台,致力于为广大客户提供高质量、高性能的电子元器件产品。产品覆盖功放器件、射频开关、滤波器、混频器、功分器、耦合器、衰减器、电源芯片、电路板及射频电缆等多个领域,平台主营业务涵盖电子元器件现货销售、BOM配单及提供产品配套资料等,为客户提供一站式供应链采购服务。 

  • 品质 • 正品行货 购物无忧
  • 低价 • 普惠实价 帮您省钱
  • 速达 • 专业配送 按时按需
Copyright ©2020 - 2021 兆亿微波科技有限公司
X
1

QQ设置

    1
3

SKYPE 设置

4

阿里旺旺设置

5

电话号码管理

电话 电话 电话
010-62975458
    1
6

二维码管理

    1
返回顶部
展开