M3SWA-2-50DRA+射频开关IC芯片的概述及特性分析
2025/5/13 14:56:58
浏览次数:
7
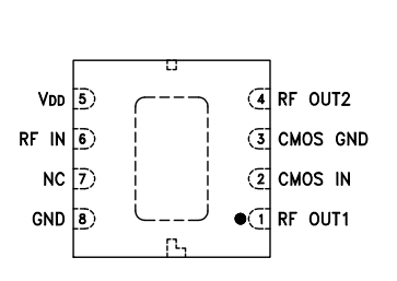
M3SWA-2-50DRA+是一款具有集成CMOS驱动器的高隔离度快速开关吸收型SPDT开关,在消耗50µa典型电流的同时,以单正电源电压运行。它专为宽带操作而设计。它采用3.25mm x 3.25mm的小型8引脚封装,可通过250V的ESD(HBM)。

特性
•高隔离度,1 GHz时为52 dB
•插入损耗低,典型值为0.8 dB。1 GHz
•电源电流消耗低,典型值为50µA。
•快速上升/下降时间,典型值为16ns。
应用
•防御
•通信基础设施
•测试和测量

在线留言询价
推荐阅读
-
点击次数:
4
2026-05-07
ADIN1200是一款低功耗、单端口、10 Mbps和100 Mbps以太网收发器,具有低延迟规格,专为工业以太网应用而设计。该设计将节能以太网(EEE)物理层设备(PHY)核心与所有相关的通用模拟电路、输入和输出时钟缓冲、管理接口和子系统寄存器以及媒体访问控制(MAC)接口和控制逻辑集成在一起,以管理重置、时钟控制和引脚配置。ADIN1200采用5 mm×5 mm、32引线框架芯片级封装(LFCSP),假设使用3.3 V MAC接口电源,则可以使用单个3.3 V电源运行。为了在系统级设计中获得最大的灵活性,单独的VDDIO电源使管理数据输入/输出(MDIO)和MAC接口电源电压能够独立于ADIN1200上的其他电路进行配置,允许在1.8 V、2.5 V或3.3 V下运行。通电时,ADIN1200保持硬件复位,直到每个电源都超过其最小上升阈值,并且电源被认为良好。通过监测电源来检测其中一个或多个是否降至最低下降阈值以下,并将设备保持在硬件重置状态,直到电源恢复并满足上电重置(POR)电路,从而提供断电保护。MII管理接口(也称为MDIO接口)在主机处理器或MAC和ADIN1200之间提供2线串行接口,允许访问PHY核心管理寄存器中的控制和状态信息。该接口与IEEE®802.3™标准第22条和第45条管理帧结构兼容。ADIN1200可以支持长达180米的电缆长度。需要注意的是,多功能引脚(如XTAL_I/CLK_IN/REF_CLK)要么是通过整个引脚名称来指代的,要么是通过引脚的单个功能来指代,例如XTAL_I,当只有该功能相关时。常见应用工业自动化过程控制工厂自动化机器人和运动控制时间敏感网络(TSN)楼宇自动化
-
点击次数:
5
2026-05-07
LTC7151S是一款电流模式单片15A降压稳压器。在正常操作中,内部顶部功率MOSFET在由单触发定时器(OST)确定的固定间隔内导通。当顶部功率MOSFET关断时,底部功率MOSFET接通,直到电流比较器I_CMP跳闸,重新启动单次定时器并启动下一个循环。电感器电流是通过感测底部功率MOSFET导通时的电压降来确定的。ITH引脚上的电压设置了与电感器谷值电流相对应的比较器阈值。误差放大器EA通过将反馈信号V_FB与内部0.5V参考进行比较来调整该ITH电压。如果负载电流增加,则会导致反馈电压相对于内部参考电压下降,ITH电压随后上升,直到平均电感器电流与负载电流相匹配。在低负载电流下,电感器电流可能降至零并变为负值。在不连续模式(DCM)下,电流反转比较器I_REV检测到这一点,然后关闭底部功率MOSFET。两个功率MOSFET将保持关断状态,输出电容器提供负载电流,直到I_TH电压升至零电流水平以上,以启动下一个周期。如果需要连续操作模式,只需将mode/SYNC引脚浮动或将其连接到INTV_CC。工作频率由RT电阻器的值决定,该电阻器对内部振荡器的电流进行编程。如果MODE/SYNC引脚上存在外部时钟信号,则内部锁相环将振荡器频率伺服于外部时钟信号。另一个内部锁相环伺服开关调节器接通时间,以跟踪内部振荡器,从而强制保持恒定的开关频率。如果输出反馈电压V_FB在调节点附近超出±8.0%的窗口,过压和欠压比较器OV和UV会将PGOOD输出拉低。在OV和UV条件下强制连续运行,启动时除外,此时TRACK引脚上升到0.5V。LTC7151S中的“S”是指第二代静音切换器2技术。该IC集成了用于V_IN和BOOST的陶瓷电容器,以保持所有快速交流电流回路较小,从而提高了EMI性能。此外,它允许更快的切换边缘,这大大提高了高切换频率下的效率。
-
点击次数:
3
2026-05-07
LTC7151S是一种高效单片同步降压稳压器,能够向负载提供15A的电流。它使用可锁相控制的导通时间恒定频率、电流模式架构。PolyPhase操作允许多个LTC7151S稳压器异相运行,从而减少了所需的输入和输出电容器的数量。工作电源电压范围为3.1V至20V。工作频率可通过外部电阻器从400kHz编程到3MHz。高频能力允许使用物理上较小的电感器和电容器尺寸。对于开关噪声敏感应用,LTC7151S可以从400kHz到3MHz进行外部同步。PHMODE引脚允许用户控制输出时钟信号的相位。独特的恒定频率/受控导通时间架构非常适合在高频下运行同时要求快速瞬态响应的高降压比应用。LTC7151S采用第二代Silent Switcher 2技术,包括集成旁路电容器,在高频下提供高效的解决方案,具有出色的EMI性能。特性Silent Switcher®2低电磁干扰架构车辆识别号范围:3.1V至20V输出电压范围:0.5V至5.5V差分VOUT远程检测可调频率:400kHz至3MHzPolyPhase®操作:最多12个阶段输出跟踪和软启动参考精度:±1%超温(-40°C至150°C)电流模式操作,实现出色的线路和负载瞬态响应精确的1.2V运行引脚阈值支持强制连续/不连续模式28引脚热增强4mm×5mm LQFN封装AEC-Q100符合汽车应用标准(温度等级0:-40°C至150°C)应用汽车和工业电源服务器电源应用分布式电力系统ASIC、FPGA、DSP、µP等的负载点电源其引脚配置信息如下图:
-
点击次数:
2
2026-05-07
MAX96752解串器将单链路或双链路GMSL™串行输入转换为单或双OLDI。OLDI接口从解串器驱动显示面板。它从视频管道接收视频数据,并将其映射到OLDI输出端口A、B或两者。输出可以用OLDI或VESA格式驱动。OLDI时钟输出由解串器根据串行器处视频输入的跟踪和测量的时钟频率生成。双OLDI模式下的奇偶像素交错OLDI输出处理器可以通过使用DE或HS信号的有效高或有效低版本进行偶数/奇数像素对齐或根本不进行任何对齐,以PCLK频率的一半将输出分成两个OLDI端口。最大OLDI像素时钟MAX96752支持300MHz的最大像素时钟。OLDI输出端口均支持150MHz。因此,在单输出模式下,最大支持150MHz。在偶数/奇数像素交错双端口模式下,设备可以输出高达300MHz PCLK频率的视频流。灵活的输出编程可配置为1 x 4、1 x 8或2 x 4车道。可以启用OLDI端口的四个通道(用于RGB888)或可选的三个通道(对于RGB666)。OLDI输出通道可以反转和/或交换。VS可以在GPIO01上查看。它包括一个可选的单周期故障过滤器。颜色查找表(LUT)LUT主要用于伽马校正。它有3 x 256个8位寄存器,允许将RGB域中的任何颜色映射到任何RGB颜色。这可用于生成滤色器或伽玛校正图。扩频OLDI输出端口可编程为具有0.5%的中心SSC,三角调制频率为20kHz至40kHz。可以将扩频百分比编程到4%。OLDI SSC模式编程独立于GMLL高速时钟SSC模式。
-
点击次数:
3
2026-05-07
MAX96752解串器将单链路或双链路GMSL™串行输入转换为单或双OLDI。它们还发送和接收侧信道和外围控制数据,实现视频和双向数据的全双工、单线传输。所有GSML2产品中都有电源管理器块。其主要功能是监测电源电压并控制断电(待机)和睡眠模式。当所有电源都处于活动状态时,有两种方法可以进入低功耗模式:断言PWDNB引脚或调用睡眠状态。这两个州都提供非常低的电源电流。断言PWDNB引脚(低电平有效)将设备置于待机电源模式,并将数字寄存器和配置重置为默认通电状态。任何低于其内部阈值设置的电源也会将设备置于断电模式。睡眠状态保留所有关键寄存器设置和配置。注册表指示保留了哪些寄存器。设备可以通过I²C/UART命令进入睡眠状态。恢复状态将设备恢复到预睡眠状态,而不需要额外的寄存器写入。有两种方法可以从睡眠模式恢复正常操作:本地唤醒:本地唤醒需要本地主机处理器启动一个虚拟控制信道事务,该事务会短暂唤醒设备。在I²C模式下,初始临时唤醒需要SDA上的四个下降沿。根据所使用的设备地址,可能需要主机发出多个连续的虚拟事务,以实现所需的四个SDA下降沿。虚拟事务之后,主机处理器必须立即将SLEEP=0设置为永久退出睡眠模式。如果Sleep保持设置为0,则设备会自动返回睡眠模式。远程唤醒:所有GSML设备都包括唤醒检测器,用于观察GSML链路活动,并在检测到活动时短暂打开设备。然后,该链接可以锁定,为远程主机提供禁用睡眠模式(设置Sleep=0)的机会。如果Sleep保持设置为1,设备会自动恢复到睡眠模式。在掉电和睡眠模式下,GPIO被置于Hi-Z模式。