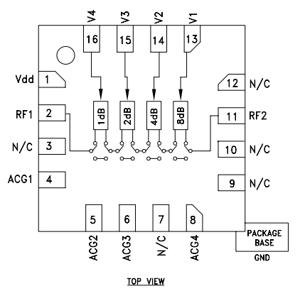
HMC540SLP3E是一款宽带4位IC芯片数字衰减器,采用低成本无引脚表贴封装。这款每位单个正电压控制线路的数字衰减器采用片外AC接地电容器,在接近直流的情况下工作,这一特点使得它非常适合各种RF和IF应用。在0.1到8GHz频率下运行,插入损耗低于1dB典型值。

对于15dB的总衰减,衰减器位值为1(LSB)、2、4和8dB。它具有出色的衰减精度,典型步长误差为±0.2dB。衰减器还具有+56dBmIP3。四位TTL/CMOS控制输入用于选择各衰减状态。它可采用+3.3V至5V单电源Vdd供电。
特性
•1dBLSB步进至15dB
•步长误差:±0.2dB(典型值)
•低插入损耗:1dB
•高IP3:+50dBm
•每位单个控制线路
应用
蜂窝通信基础设施ISM,MMDS,WLAN,WiMAX,WiBro
微波无线电和VSAT
测试设备和传感器