SC1232 是一款单芯片、双通道、12 位、20MSPS/40MSPS/65MSPS/80MSPS 模数转换器 (ADC),采用 1.8V 电源供电,内置高性能采样保持电路和片内基准电压源。
该产品采用多级差分流水线架构,内置输出纠错逻辑,在 80MSPS 数据速率时可提供 12 位精度,并保证在整个工作温度范围内无失码。该 ADC 内置多种功能特性,可使器件的灵活性达到最佳、系统成本最低,例如可编程时钟与数据对准、生成可编程数字测试码等。可获得的数字测试码包括内置固定码和伪随机码,以及通过串行端口接口 (SPI) 输入的用户自定义测试码。
采用一个差分时钟输入来控制所有内部转换周期。数字输出数据格式为偏移二进制、格雷码或二进制补码。每个 ADC 通道均有一个数据输出时钟 (DCO),用来确保接收逻辑具有正确的锁存时序。该器件支持 1.8V 和 3.3V 两种 CMOS 电平,输出数据可以在单条输出总线上多路复用。
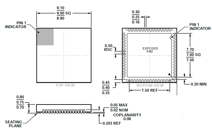
SC1232 采用符合 RoHS 标准的 64 引脚的 QFN 封装。
主要特征
◼ 1.8V 电源供电
◼ 1.8V 至 3.3V 输出电源
◼ 低功耗:
每个通道 31mW (20MSPS)
每个通道 66mW (80MSPS)
◼ 信噪比 (SNR):
72.5dBFS (30.5MHz 输入)
69dBFS (200MHz 输入)
◼ 无杂散动态范围(SFDR):
82dBc (30.5MHz 输入)
74dBc (200MHz 输入)
◼ 微分非线性 (DNL):±0.2LSB (典型值)
◼ 片内基准电压源和采样保持电路
◼ QFN-64 封装 9mm×9mm
功能模块示意图

外形尺寸图
