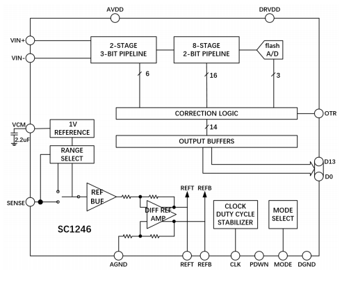
SC1246 是采用多级差分流水线架构,内置高性能采样保持电路和片内基准电压源的单通道、14 位、80MSPS 模数转换器 (ADC),采用 3V 模拟电源供电,一个单独的输出电源能驱动 2.1V 至 3.6V 逻辑电路。
SC1246 专为数字化高频宽动态范围信号而设计,非常适合要求苛刻的成像和通信应用。在 80M Hz 采样下拥有 72.8dB 的信噪比和 85dB 的无杂散动态范围。直流规格包括±1LSB INL (典型值),±0.25LSB DNL (典型值) 和无漏失码。输入端参考噪声很低,仅为 0.96LSBRMS。
主要特征
◼ 3V 电源供电
◼ 灵活输入范围:1VP-P to 2VP-P
◼ 2.1V 至 3.3V 输出电源
◼ 低功耗:66mW (20MSPS)
218mW (80MSPS)
◼ 80MHz 采样,30.5MHz 输入:
信噪比 (SNR): 72.83dB
无杂散动态范围 (SFDR): 85.62dB
◼ 微分非线性 (DNL):±0.25LSB (典型值)
◼ 输入端参考噪声:0.96LSBRMS
◼ 片内基准电压源和采样保持电路
功能模块示意图

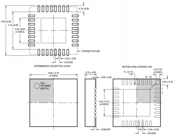
外观尺寸图
