SC1254 是一款 4 通道、14 位、80MSps/100MSps/110MSps 模数转换器 (ADC),内置采样保持电路,专门针对低成本、低功耗、小尺寸和易用性而设计。该产品转换速率最高可达 110MSps,具有杰出的动态性能与低功耗特性。
该 ADC 采用 1.8V 单电源供电以及 LVPECL/CMOS/LVDS 兼容型采样速率时钟信号,以便充分发挥其工作性能。对于大多数应用来说,无需外部基准电源源或驱动器件。
为获得合适的 LVDS 串行数据速率,该 ADC 会自动倍乘采样速率时钟。它提供一个数据时钟输出 (DCO) 用于在输出端捕获数据,以及一个帧时钟输出 (FCO) 用于发送新输出字节信号。它还支持各通道单独进入省电状态;禁用所有通道时,典型功耗 2.2mW。
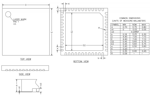
SC1254 采用符合 Rohs 标准的 48 引脚的 QFN 封装。
主要性能
◼ 1.8V 电源供电
◼ 低功耗:每通道 110mW (110MSps)
◼ 信噪比 (SNR):73dB (至奈奎斯特频率)
◼ 微分非线性 (DNL):±0.75LSB (典型值)
◼ 积分非线性 (INL):±2.5LSB (典型值)
◼ 串行 LVDS
◼ 2VP-P 输入电压范围
◼ QFN-48 封装 7mm×7mm
应用场景
◼ 医疗成像和无创超声检测
◼ 测试设备
◼ 无线电接收机
◼ 光纤网络
功能模块示意图

外形尺寸图
