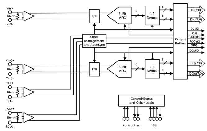
SC1281 是采用多级差分流水线架构,内置高性能采样保持电路和片内基准电压源的双通道、8 位、1.0GSPS 模数转换器 (ADC)。
SC1281 具有杰出的动态性能与低功耗特性。采用 1.9V 电源供电。SC1281 在输入信号为 103MHz,1.0GSPS 采样率下,可产生 7.44 有效位数 (ENOB),在 1.0GSPS 的 Non-demux 模式下典型功耗为 1.17W。
为方便抓取数据,每个通道都有其独立 DDR 数据时钟 DCLKI 和 DCLKQ,并且 SC1281 支持 1:2 Demux 模式,在该模式下每个通道的第二组 8 bit LVDS 总线被激活,输出数据速率变为时钟速率的一半。输出格式可以配置为偏移二进制(默认)或二进制补码,并且低电压差分信号(LVDS)数字输出与 IEEE 1596.3-1996 兼容,可调节的共模电压为 0.8V 或 1.2V。
SC1281 采用 128 引脚的 QFN 封装,额定工业温度范围为 -40°C 至 +125°C。
主要性能
◼ 卓越的精度和动态性能
◼ 低功耗,在较低的采样率下进一步降低
◼ 内部端接、缓冲、差分模拟输入
◼ SPI 串行控制接口
◼ 输出测试模式
◼ 1:1 Non-demux 或 1:2 Demux LVDS 输出
◼ 多芯片系统的自动同步特性
◼ 单路 1.9V±0.1V 电源
应用场景
◼ 数字示波器
◼ 宽带通信
◼ 数字采集系统
功能模块示意图
