嗨,欢迎来到兆亿微波官方商城!
服务热线: 010-62975458  17600099251
购物车图片 购物车 ( )
全部商品分类

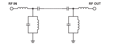
SXBP-29+带通滤波器芯片的概述及特征应用

2025/6/23 14:08:39
浏览次数: 5

SXBP-29+是一款采用SMT技术制造的带通滤波器。SXBP-29+在通带内提供了良好的匹配,在1600 MHz以下具有40 dB以上的抑制能力。该装置使用微型高Q电容器和线焊电感器,具有高可靠性。此外,它在不同生产批次中具有可重复的性能,在不同温度下具有一致的性能。

SXBP-29+带通滤波器芯片的概述及特征应用

SXBP-29+带通滤波器芯片的概述及特征应用

特征

•良好的VSWR,通带内典型值为1.4:1

•高抑制,40 dB

•屏蔽外壳

•可水洗

应用

•测试设备

•发射器/接收器

•谐波抑制

•军事

在线留言询价
推荐阅读
  • 点击次数: 3
    2026-05-08
    LTC3129 采用超低噪声、1.2MHz PWM 开关架构,通过使用小型、薄型电感和陶瓷电容较大程度地减小了解决方案的尺寸。内置环路补偿和软启动简化了设计。如需在轻负载下实现高效率工作,可以选择自动突发工作模式,将静态电流降至仅 1.3μA。其使用可编程RUN功能从极弱的输入源进行操作如下所示:可编程RUN引脚的另一个应用是,它可以用于在极低电流源的打嗝模式下操作转换器。这允许从只能产生微安输出电流的电源进行操作,即使使用MPPC引脚,这些电源也太弱,无法维持正常的稳态操作。由于LTC3129在启用之前从VIN仅消耗1.9µA的典型电流,因此可以对RUN引脚进行编程,使IC保持禁用状态,直到VIN达到编程电压电平。通过这种方式,输入源可以对输入存储电容器进行涓流充电,即使它只能提供微安的电流,直到VIN达到RUN引脚分压器设置的导通阈值。然后,将使用输入电容器中存储的电荷启用转换器,直到VIN降至关闭阈值以下,此时转换器将关闭,该过程将重复。这种方法允许转换器使用室内照明从薄膜太阳能电池等弱源运行。虽然转换器将以突发方式运行,但为输出电容器充电足以为低占空比负载供电,如无线传感器应用,或为电池涓流充电。此外,请注意,输入电压将围绕分压器确定的固定电压循环(具有由运行滞后设置的小纹波)。这允许高阻抗源在编程的最佳电压下运行,以实现最大的功率传输。当使用高值分压电阻器(在MΩ范围内)来最小化VIN上的电流消耗时,可能需要在较低的分压电阻器上安装一个小的噪声滤波电容器,以防止噪声错误地使RUN比较器跳闸。电容值应最小化,以免在转换器关闭之前引入足够长的时间延迟,使输入电压显著降至所需的VIN阈值以下。请注意,较大的VIN去耦电容器值将通过在VIN上提供更多的保持时间来最小化这种影响。附图:LTC3129的引脚配置信息
  • 点击次数: 1
    2026-05-08
    LTC3129 是一款高效率、200mA 降压-升压型 DC/DC 转换器,具有 VIN 和 VOUT 宽电压范围。它具有精确的 RUN 引脚阈值,支持可预测调节器开启,并提供最大功率点控制(MPPC)能力,以确保从光伏板等非理想电源中获取最大功率。其PWM模式操作如下所示:如果PWM引脚为高,或者如果转换器上的负载电流足够高,可以命令PWM模式以PWM低运行,LTC3129将使用内部补偿的平均电流模式控制回路在固定的1.2MHz PWM模式下运行。PWM模式最大限度地减少了输出电压纹波,并产生了低噪声的开关频谱。专有的开关算法提供了操作模式之间的无缝转换,并消除了所有操作模式中平均电感器电流、电感器纹波电流和回路传递函数的不连续性。与传统的降压-升压转换器相比,这些优点提高了效率,改善了回路稳定性,降低了输出电压纹波。下图显示了LTC3129功率级的拓扑结构,该功率级由四个N沟道DMOS开关及其相关栅极驱动器组成。在PWM模式操作中,两个开关引脚在每个周期都会独立于输入和输出电压进行转换。响应于内部控制回路命令,内部脉宽调制器产生适当的开关占空比,以保持输出电压的调节。当从高输入电压降压到较低输出电压时,转换器在降压模式下运行,开关D在整个开关周期内保持导通,除了最小开关低持续时间(通常为90ns)。在开关低持续时间期间,开关C接通,这迫使SW2变低并对快速电容器CBST2充电。这确保了BST2上的开关D栅极驱动器电源轨得以保持。调整开关A和B的占空比,以保持降压模式下的输出电压调节。如果输入电压低于输出电压,则转换器以升压模式运行。除最小开关低持续时间(通常为90ns)外,开关A在整个开关周期内保持开启状态。在开关低持续时间期间,开关B被接通,这迫使SW1变低并对快速电容器CBST1充电。这确保了BST1上的开关A栅极驱动器电源轨得以保持。调整开关C和D的占空比,以在升...
  • 点击次数: 1
    2026-05-08
    LTC3129是一款1.3µa静态电流、单片、电流模式、降压-升压DC/DC转换器,可在1.92V至15V的宽输入电压范围内运行,并为负载提供高达200mA的电流。内部低RDS(ON)N沟道电源开关降低了解决方案的复杂性,并最大限度地提高了效率。专有的开关控制算法允许降压-升压转换器在输入电压高于、低于或等于输出电压的情况下保持输出电压调节。升压或降压操作模式之间的转换是无缝的,没有瞬态和亚谐波开关,使该产品成为噪声敏感应用的理想选择。LTC3129在1.2MHz的固定标称开关频率下运行,在小解决方案尺寸和高效率之间实现了理想的权衡。电流模式控制提供了固有的输入线电压抑制、简化的补偿和对负载瞬态的快速响应。LTC3129中还包括突发模式功能,用户可以通过PWM输入引脚进行选择。在突发模式操作中,LTC3129仅在需要维持电压调节时才操作转换器,从而在轻输出负载条件下提供卓越的效率。突发模式静态电流仅为1.3µa。在较高负载下,当选择突发模式操作时,LTC3129会自动切换到固定频率PWM模式。(请参阅不同输入和输出电压下的模式转换点的典型性能特征曲线。)如果应用需要极低的噪声,也可以通过PWM引脚选择连续PWM操作。还提供了MPPC(最大功率点控制)功能,当从各种非理想电源(如光伏电池)运行时,该功能允许将转换器的输入电压伺服到可编程点,以获得最大功率。LTC3129还具有精确的带滞后的RUN比较器阈值,允许降压-升压DC/DC转换器在用户选择的VIN电压阈值下打开和关闭。并且LTC3129具有宽电压范围、1.3µa突发模式电流和可编程RUN和MPPC引脚,非常适合许多不同的应用。附图:不同封装引脚配置信息
  • 点击次数: 3
    2026-05-08
    为了确保正常运行和最小化电磁干扰,在印刷电路板布局过程中必须小心。文末图片则显示了推荐的组件放置,包括迹线、接地平面和过孔位置。请注意,LT8620的VIN引脚、GND引脚和输入电容器中流过大的开关电流。通过将电容器放置在VIN和GND引脚附近,输入电容器形成的回路应尽可能小。当使用物理上较大的输入电容器时,产生的回路可能会变得太大,在这种情况下,最好使用靠近VIN和GND引脚的小外壳/值电容器,再加上更远的较大电容器。这些组件以及电感器和输出电容器应放置在电路板的同一侧,并且它们的连接应在该层上进行。在最靠近表层的层中的应用电路下方放置一个局部的、完整的接地平面。SW和BOOST节点应尽可能小。最后,保持FB和RT节点较小,以便接地迹线将它们与SW和BOOST节点屏蔽。封装底部的暴露焊盘必须焊接到地上,以便焊盘与地电连接,并在热上充当散热器。为了保持较低的热阻,尽可能地延伸接地平面,并在LT8620下方和附近添加热通孔,以在电路板内和底侧添加额外的接地平面。高温注意事项对于较高的环境温度,应注意PCB的布局,以确保LT8620的良好散热。封装底部的暴露焊盘必须焊接到接地平面。该接地应通过热通孔连接到下面的大铜层;这些层将分散LT8620散发的热量。放置额外的通孔可以进一步降低热阻。当环境温度接近最大结额定值时,应降低最大负载电流。LT8620内的功耗可以通过计算效率测量的总功率损耗并减去电感器损耗来估算。管芯温度是通过将LT8620功耗乘以从结到环境的热阻来计算的。如果超过安全结温,LT8620将停止切换并指示故障状态。
  • 点击次数: 1
    2026-05-08
    LT8620将容忍短路输出。在输出短路和断电条件下,有几个功能用于保护。首先,当输出低于设定值时,开关频率将被折叠,以保持电感器电流控制。其次,监测底部开关电流,这样如果电感器电流超过安全水平,顶部开关的切换将被延迟,直到电感器电流降至安全水平。频率折返行为取决于SYNC引脚的状态:如果SYNC引脚较低,当输出电压低于编程电平时,开关频率将减慢。如果SYNC引脚连接到时钟源或连接到高电平,LT8620将保持在编程频率,不会折返,只有在电感器电流超过安全水平时才会缓慢切换。在系统中还有另一种情况需要考虑,当LT8620的输入不存在时,输出将保持在高水平。这可能发生在电池充电应用或电池备份系统中,在这些系统中,电池或其他电源与LT8620的输出二极管或电阻连接。如果允许VIN引脚浮动,EN引脚保持高电平(无论是通过逻辑信号还是因为它与VIN相连,那么LT8620的内部电路将通过其SW引脚拉动其静态电流。如果系统在这种状态下可以容忍几mA,这是可以接受的。如果EN引脚接地,SW引脚电流将降至接近1μa。但是,如果VIN引脚接地而输出保持高电平,无论EN如何,LT8620内的寄生体二极管都可以通过SW引脚和VIN引脚从输出拉动电流。文末图片显示了VIN和EN/UV引脚的连接,这将允许LT8620仅在存在输入电压时运行。并且防止短路或反向输入。
热门分类
关于我们

───  公众号二维码  ───

兆亿微波商城微信公众号

兆亿微波商城www.rfz1.com是一个家一站式电子元器件采购平台,致力于为广大客户提供高质量、高性能的电子元器件产品。产品覆盖功放器件、射频开关、滤波器、混频器、功分器、耦合器、衰减器、电源芯片、电路板及射频电缆等多个领域,平台主营业务涵盖电子元器件现货销售、BOM配单及提供产品配套资料等,为客户提供一站式供应链采购服务。 

  • 品质 • 正品行货 购物无忧
  • 低价 • 普惠实价 帮您省钱
  • 速达 • 专业配送 按时按需
Copyright ©2020 - 2021 兆亿微波科技有限公司
X
1

QQ设置

    1
3

SKYPE 设置

4

阿里旺旺设置

5

电话号码管理

电话 电话 电话
010-62975458
    1
6

二维码管理

    1
返回顶部
展开