PMA-545+是一款高动态范围、低噪声、高IP3、高输出功率的单片放大器。采用E-PHEMT*技术制造,使其能够在单个正电源电压下工作,在工作频率上无条件稳定。

特征
•单正电源电压,3V
•超低噪声系数,典型值为0.8 dB。1GHz
•高IP3,典型值为36 dBm。1GHz
•增益,典型值20dB。1 GHz
•输出功率,典型值高达+20dBm。
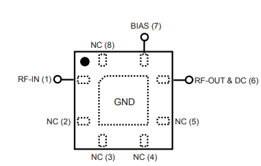
•微型尺寸-3mm x 3mm
•可水洗
应用
•蜂窝
•ISM
•GSM
•WCDMA
•LTE
•WiMAX
•无线局域网
•UNII和HIPERLAN
