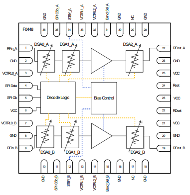
F0448是一款3.3GHz至4.2GHz双射频数字可变增益放大器(DVGA),专为接收机设计。这种双RF DVGA提供两条独立的接收器路径,每条路径具有13dB的典型最大增益和6dB的噪声系数,设计用于在单个+5V电源下运行。对于每条路径,增益控制被分成3个单独的衰减器;DSA0使用单个控制引脚进行单个6dB步长的调整,DSA1使用1dB步长的23dB SPI控制增益调整,DSA2包括使用两个控制引脚控制的6dB步长中的18dB衰减。
F0448使用220mA总ICC提供+37dBm标称输出IP3。该设备采用6 x 6 mm、36-QFN、50Ω 单端RF输入和RF输出阻抗,便于集成。
特征
射频频率范围:3.3GHz至4.2GHz
用于分集/MIMO接收机的双路径RF放大器和DSA
DSA转换之间的超调<2dB
3.6GHz时13dB典型最大增益
DSA0:单6dB粗步长
DSA1:23dB总增益范围,步长为1dB
DSA2:18dB增益范围,步进6dB
+3.6GHz时为37dBm OIP3
3.6GHz时6dB噪声系数
+5V电源电压
ICC=220mA
独立待机:7mA待机电流
DSA1的SPI接口
DSA0的1位控制
DSA2的2位控制
50Ω输入输出阻抗
宽带,内部匹配
温度范围:-40°C至+105°C
6 x 6毫米,36-QFN封装

应用
多模多载波接收机
PHS/PAS基站
分布式天线系统
数字广播