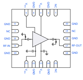
AVA-2183+是一款GaAs pHEMT MMIC放大器,工作频率为2至20 GHz。在10 GHz时,放大器在+4V 210 mA电源图下提供16.4 dB增益、5.2 dB噪声系数、+19.3 dBm P1dB和+24.7 dBm OIP3的典型性能。AVA-2183+MMIC放大器采用行业标准4x4mm 20引脚QFN式封装。该放大器的射频端口内部匹配为50Ω,可轻松集成到微波系统中。


特征
宽带2至20 GHz
典型平坦增益。16±1 dB
P1dB,典型值。+19 dBm
OIP3,典型。+25 dBm
4x4mm 20引脚QFN型封装
应用
5G MIMO和回程无线电系统
卫星通信
测试和测量设备
雷达、电子战和电子对抗防御系统