Mini-Circuits® PM6A-123-10W+ 是一款砷化镓(GaAs)单片微波集成电路(MMIC)功率放大器,工作频率范围为10.0至11.7 GHz。
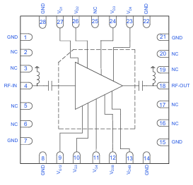
该放大器内部匹配50Ω,提供30.3 dB的增益、+39.1 dBm的饱和输出功率和+46.1 dBm的输出三阶交调截点(IP3);工作电压为+8 V,偏置电流为1.5 A。其输入输出完全匹配,可实现无缝集成,采用6×6毫米28引脚QFN封装。

这些特性使其非常适合需要高工作输出功率且保持极低失真的回传无线电系统和雷达系统。
关键参数总结:
频率范围:10.0-11.7 GHz
增益:30.3 dB
饱和输出功率:+39.1 dBm
输出IP3:+46.1 dBm
电源电压:+8 V
偏置电流:1.5 A
封装:6×6 mm 28-lead QFN
应用:回传无线电系统、雷达系统(需高输出功率+低失真)

特征
高增益,典型。30.3分贝
PSAT高,典型。+39.1 dBm
优秀的PAE,典型。28.3%
高标准杆数通信信号的高线性度优化设计
6x6 mm 28引线QFN型封装
应用
回程无线电系统
雷达系统