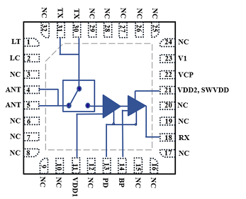
TSL8028N是一个单通道、集成射频、前端、多芯片模块,专为不同应用而设计。该设备的工作频率为2 GHz至5 GHz。TSL8028N配置有级联、两级GaAs LNA和基于GaN的SPDT开关。
在高增益模式下,级联的两级LNA和开关在3.6 GHz下提供1.1 dB的低噪声系数和33 dB的高增益,高增益模式的输出三阶截断点(OIP3)为33 dBm(典型值)。在低增益模式下,两级LNA的一级处于旁路状态,在50mA的较低电流下提供14dB的增益。在掉电模式下,LNA关闭,器件消耗4mA。

在发射操作中,当RF输入连接到端接引脚(TX)时,开关在3.6GHz下提供0.3dB的低插入损耗,并处理50dBm的长期演进(LTE)平均功率(8dB峰均比(标准杆数)),用于全寿命操作。
该设备采用符合RoHS标准的紧凑型5毫米x 5毫米32引脚QFN。

特征
@3.6 GHz:1.1 dB[低增益模式]
•3.6 GHz时的OP1dB:21 dBm[高增益模式]
@3.6 GHz:12 dBm[低增益模式]
•工作频率:2至5 GHz
•3600 MHz时的插入损耗:0.3 dB[TX模式]
•3.6 GHz下的开关隔离度:17 dB[RX HG模式]
•3.6 GHz时的RXHG隔离度:48 dB[PD=5V&BP=0V]
•3.6 GHz时的RXLG隔离度:48 dB[PD=BP=5V]
•TCASE=105°C时的高功率处理全寿命
•LTE平均功率[8 dB标准杆数]:50 dBm
•高OIP3[高增益模式]:典型值为32 dBm
•高增益模式电流:5V时典型值为90mA
•低增益模式电流:5V时典型值为50mA
•断电模式电流:5V时典型值为4mA
•正向逻辑控制
•5毫米×5毫米×0.85毫米,32导联QFN
应用
● 4G/5G基础设施无线电、宏基站
● 小细胞和细胞中继器
● 相控阵雷达
● 卫星数字音频无线电服务