CMD263P3宽带MMIC低噪声放大器的简述及特征、引脚配置图
2025/8/20 14:47:38
浏览次数:
5
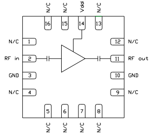
Qorvo的CMD263P3是一款宽带MMIC低噪声放大器,采用无引线3x3mm塑料表面贴装封装。CMD263P3非常适合需要小尺寸和低功耗的微波无线电以及C和X波段应用。宽带设备提供大于22dB的增益,相应的输出1dB压缩点为+11dBm,噪声系数为1.4dB。CMD263P3采用50欧姆匹配设计,无需外部直流块和射频端口匹配。

特征
•超低噪声系数
•低电流消耗
•高增益宽带性能
•单电源电压:+3.6 V@32 mA
•无铅RoHs兼容3x3 QFN封装
引脚配置图

在线留言询价
推荐阅读
-
点击次数:
2
2026-05-06
LTM8057 DC/DC 转换器的隔离是通过将所有初级引脚绑在一起,所有次级引脚绑在一起来进行100%高压测试的,并将两个合成电路置于3kV DC的差分下一秒钟。这确定了LTM8057组件的隔离电压额定值。LTM8057的隔离额定值与应用程序将经历的工作或操作电压不同。这取决于应用程序的电源、操作条件、使用最终产品的行业以及决定设计要求的其他因素,如印刷电路板上铜平面、迹线和组件引脚之间的间隙,以及可能使用的连接器类型。为了最大限度地提高允许的工作电压,LTM8057去除了两列焊球,以方便印刷电路板设计。球间距为1.27mm,典型球径为0.78mm。考虑到缺失的柱和球直径,印刷电路板的设计金属间距可达3.03mm。这可能必须有所减少,以允许焊料掩模或其他印刷电路板设计规则的公差。对于需要LTM8057内部电路间距信息的情况,初级和次级的最小金属间距为0.75mm。重申一下,制造商的隔离电压额定值和所需的工作或操作电压通常是不同的数字。对于LTM8057,隔离电压额定值是通过100%高压测试确定的。工作或操作电压是最终产品及其系统级规格的函数。实际所需的工作电压通常小于制造商的绝缘额定值。LTM8057是UL 60950认证的组件,文件号464570。LTM8057变压器的UL 60950绝缘类别为功能性。考虑到UL 60950表2N和上述间隙距离,外部3.03mm,内部0.75mm,LTM8057可以在2级污染环境中以高达250V的工作电压运行。具体终端应用的实际工作电压、绝缘类别、污染程度和其他关键参数取决于实际的环境、应用和安全合规要求。因此,用户有责任进行安全和合规审查,以确保LTM8057适用于预期应用。
-
点击次数:
3
2026-05-06
LTM4607是一种非隔离降压升压DC/DC电源。只需添加感测电阻器、电感器和一些外部输入和输出电容器,它就可以在4.5V至36V的宽输入范围内提供0.8V至24V的宽输出电压。它通过一个外部电阻器提供可编程的精确调节输出电压。LTM4607具有集成电流模式降压-升压控制器、具有快速开关速度的超低RDS(ON)FET和集成肖特基二极管。通过电流模式控制和内部反馈回路补偿,LTM4607模块在广泛的工作条件下具有足够的稳定性裕度和良好的瞬态性能,并具有广泛的输出电容器。通过设置PLLFLTR引脚上的电压,LTM4607的工作频率可以从200kHz调整到400kHz。布局检查表/示例LTM4607的高集成度使PCB板布局非常简单。然而,为了优化其电气和热性能,仍然需要考虑一些布局因素。使用较大的PCB铜区域用于高电流路径,包括VIN、RSENSE、SW1、SW2、PGND和VOUT。它有助于最大限度地减少PCB的传导损耗和热应力。将高频输入和输出陶瓷电容器放置在VIN、PGND和VOUT引脚旁边,以尽量减少高频噪声。以最小的PC迹线间距将SENSE-和SENSE+引线布线在一起。避免感测线穿过嘈杂的区域,如开关节点。在装置下方放置一个专用的电源接地层。为了最大限度地减少通孔传导损耗并降低模块热应力,使用多个通孔在顶层和其他电源层之间进行互连。除非通孔被盖住,否则不要将通孔直接放在焊盘上。对于连接到信号引脚的组件,使用单独的SGND接地铜区域。将SGND连接到装置下方的PGND。文末图片则给出了推荐布局的一个很好的例子。
-
点击次数:
1
2026-05-06
为了提高轻负载下的效率,LT8641在低纹波突发模式下运行,该模式使输出电容器保持充电至所需的输出电压,同时最大限度地减少输入静态电流和输出电压纹波。在突发模式操作中,LT8641向输出电容器发送单个小电流脉冲,随后是睡眠期,输出功率由输出电容器提供。在睡眠模式下,LT8641消耗1.7μA。随着输出负载的降低,单个电流脉冲的频率降低(见图2a),LT8641处于睡眠模式的时间百分比增加,导致光负载效率比典型转换器高得多。通过最大化脉冲之间的时间,在没有输出负载的典型应用中,转换器的静态电流接近2.5μA。因此,为了优化轻负载下的静态电流性能,反馈电阻分压器中的电流必须最小化,因为它在输出端表现为负载电流。为了实现更高的轻负载效率,在突发模式操作中的单个小脉冲期间,必须向输出端输送更多的能量,以便LT8641在每个脉冲之间可以更长时间地保持睡眠模式。这可以通过使用更大值的电感器(即4.7μH)来实现,在选择电感器时应考虑与开关频率无关。例如,虽然较低的电感器值通常用于高开关频率应用,但如果需要高的轻负载效率,则应选择较高的电感器值。见典型性能特征中的曲线。在突发模式操作中,顶部开关的电流限制约为950mA(如图3所示),导致输出电压纹波低。增加输出电容将成比例地降低输出纹波。随着负载从零向上斜坡上升,开关频率将增加,但仅增加到RT引脚上的电阻器编程的开关频率,如图2a所示。LT8641达到编程频率的输出负载根据输入电压、输出电压和电感器选择而变化。图3对于某些应用,LT8641最好在脉冲跳过模式下运行,这与突发模式运行有两个主要区别。首先,时钟始终保持唤醒状态,所有开关周期都与时钟对齐。在这种模式下,大部分内部电路始终处于唤醒状态,将静态电流增加到几百μA。其次,与突发模式操作相比,在较低的输出负载下达到全开关频率(见图2b)。要启用脉冲跳过模式,请浮动SYNC/mode引...
-
点击次数:
1
2026-05-06
HMC849ALP4CE是一款低成本无引线表面贴装封装的高隔离非反射直流至6 GHz GaAs pHEMT SPDT开关。该开关非常适合蜂窝/WiMAX/4G基础设施应用,可产生高达60 dB的隔离、0.8 dB的低插入损耗和+52 dBm的输入IP3。在5-6GHz WiMAX频段内,功率处理非常出色,交换机提供+31dBm的P1dB压缩点。片上电路允许在非常低的直流电流下进行0/+3V或0/+5V的单一正电压控制。设置为逻辑高的启用输入(EN)将使开关处于“全关”状态。具备的特性:高隔离度:高达60 dB单正控制:0/+3V至+5V高输入IP3:+52 dBm非反光设计“全部关闭”状态16引脚4x4 mm QFN封装:16 mm²HMC849AP4CE非常适合:•蜂窝/4G基础设施•WiMAX、WiBro和固定无线•汽车远程信息处理•移动电台•测试设备
-
点击次数:
5
2026-04-27
AD558 是一款完整的电压输出8位数模转换器,包括输出放大器、全微处理器接口和单片芯片上的精密电压基准。无需外部组件或微调即可将8位数据总线完全准确地连接到模拟系统。DACPORT的性能和多功能性是最近开发的几种单片双极技术的结果。完整的微处理器接口和控制逻辑采用集成注入逻辑(I²L)实现,这是一种极其密集和低功耗的逻辑结构,与线性双极制造工艺兼容。内部精密电压基准是获得专利的低压带隙电路,可在单个+5 V至+15 V电源上实现全精度性能。薄膜硅铬电阻器在整个工作温度范围(所有等级)内提供了保证单调操作所需的稳定性,而这些薄膜电阻器的激光晶片微调的最新进展允许在工厂进行绝对校准,误差在±1 LSB以内;因此不需要用户对增益或偏移进行微调。一种新的电路设计可在800 ns内实现满量程步长的±1/2 LSB电压稳定。AD558有四种性能等级可供选择。AD558J和K指定用于0°C至+70°C的温度范围,而AD558S和T等级指定用于-55°C至+125°C的操作。“J”和“K”等级有16针塑料(N)或密封陶瓷(D)DIPS两种。它们也有20针JEDEC标准PLCC封装。“S”和“T”级采用16针密封陶瓷DIP封装。产品亮点1.8位FL输入寄存器和完全兼容微处理器的控制逻辑允许AD558直接连接到8位或16位数据总线,并使用标准控制信号进行操作。锁存器可能被禁用以进行直接DAC接口。2.激光修整的片上SiCr薄膜电阻器在工厂进行了绝对精度和线性校准。因此,在工作温度范围内,无需用户微调即可达到完全额定精度。3.包含精确的低电压带隙基准消除了指定和应用单独基准源的需要。4.AD558 DAC部分的电压切换结构以及高速输出放大器和激光微调电阻器为用户提供了0 V至+2.56 V或0 V至+10 V输出范围的选择,...