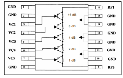
MACOM的MAADSS0010是一款1 dB阶跃GaAs MMIC数字衰减器,采用无铅QSOP-16(SSOP-16)封装,衰减范围为31 dB。它需要RF端口上的外部隔直电容器、正电源电压和五个单独的位控制电压。
MAADSS0010特别适用于需要高衰减精度、低插入损耗和低互调产物的场合。典型应用包括基站、无线数据和无线本地环路增益电平控制电路。

MAADSS0010是使用M/A-COM的GaAs 1.0微米工艺制造的。该工艺具有全芯片钝化功能,可提高性能和可靠性。
特征
5位,1 dB步长
卓越的精确度
单正极控制(+3V至+5V)
无铅QSOP-16(SSOP-16)封装
铜上镀100%哑光锡
无卤素“绿色”模塑料
260°C回流兼容
符合RoHS标准的MAATSS0002版本