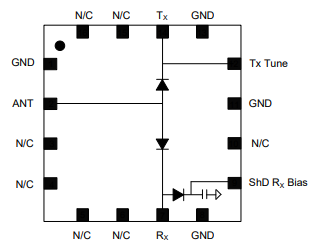
MASW-000936是一款SPDT高功率、宽带、高线性、PIN二极管T/R开关,适用于0.05-6.0 GHz应用,包括WiMAX和WiFi。该设备采用行业标准的无铅4mm PQFN塑料封装。该器件采用MACOM的低损耗、高隔离开关二极管工艺制造的PIN二极管管芯。

MASW-000936可选替代型号→TS8029N
特征
•卓越的宽带性能
•低插入损耗:TX=0.20 dB@2.7 GHz
•高隔离度:RX=50 dB@2.7 GHz
•高TX射频输入功率=120 W CW@2.0 GHz,+85°C
•高TX RF输入峰值功率:1000 W
•仅需要正直流偏压
•表面安装4mm PQFN封装
•符合RoHS*标准,兼容260°C回流焊
应用
适用于大功率LTE、TD-SCDMA、WiMAX和军用无线电应用